Подшипники гост
Интернет-магазин
8-800-250-16-58
Обратный звонок

Заказ обратного звонка




Эл. почта:
info@amost.ru
Свои заказы Корзина пуста





Получать прайс-лист на email:

Чтобы отписаться от рассылки, введите e-mail, на который вы получаете наши письма:

 

Поиск подшипников

Масса и размеры

Внутренний диаметр d, мм

От  до 

Наружный диаметр D, мм

От  до 

Ширина b, мм

Применяемость

Раздел каталога

Подшипник шариковый радиальный однорядный основного конструктивного исполнения

306 Е ТУ ВНИПП.154

Отечественный
Импортный
Цена: 72.00 руб

Производитель



под заказ
Обозначение 306 Е ТУ ВНИПП.154
Цена импортная 58
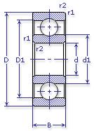
Внутренний диаметр, d (мм) 30
Наружный диаметр, D (мм) 72
Ширина, В (мм) 19
Масса, m (кг) 0.35
Грузоподъемность динамическая, C (kN) 28.1
Грузоподъемность статическая, Co (kN) 14.6
Ном. частота вращен. при пластич. смазке, n grease (1/min) 9000
Диаметр шарика, d шарика (мм) 12.303
Количество шариков, N шариков 8
Ном. частота вращен. при жидк. смазке, n oil (1/min) 11000
Диаметр борта наружного кольца, D1(mm) 59.9
Диаметр борта внутреннего кольца, d1 (mm) 44.6
Радиус фаски, r1, r2 min (мм) 1.1
306 Е ТУ ВНИПП.154

Этот подшипник может быть заменен другими:

Подшипник 50306 — Условие отсутствует

Подшипник 60306 — При условии демонтажа одной защитной шайбы

Подшипник 160306 — При условии демонтажа одной защитной шайбы

Подшипник 150306 — При условии демонтажа одной защитной шайбы (п/ш с канавкой)

Подшипник 80306 — При условии демонтажа 2-х защитных шайб

Подшипник 180306 — При условии демонтажа 2-х защитных шайб

Подшипник 450306 — При условии демонтажа 2-х защитных шайб

Подшипник 750306 — При условии демонтажа 2-х защитных шайб

Марка Модель Узел Кол-во на узел
Пункт картофелесортировальный с переборочными столами КСП-25 Транспортер распределительный ПСШ.02.000-01: ролик верхний -
Пункт картофелесортировальный с переборочными столами КСП-25 Транспортер загрузочный ПСШ.08.000-01: блок шестерен -
Трактор ХТЗ-16131 (кроме двигателя) Коробка раздаточная: вал привода насоса рулевого управления и навески -
Трактор ХТЗ-16131 (кроме двигателя) Коробка раздаточная: вал привода насосов гидросистемы навесного устройства -
Автопогрузчик 4022 Мост передний ведущий 1
Автопогрузчик 4065 Мост передний ведущий 1
БелАЗ 7420-9590 Коробка отбора мощности 2
БелАЗ 7519 Коробка отбора мощности 2
БелАЗ 75191(110т) Коробка отбора мощности 2
БелАЗ 75211(180т) Коробка отбора мощности 2
БелАЗ 7548(42т) Двигатель: система питания 1
БелАЗ 7548(42т) Муфта опережения впрыска 1
Подшипники ГАЗ 3301 Коробка отбора мощности 6
ГАЗ 66 Коробка отбора мощности 4
ГАЗ 66-02 Коробка раздаточная: вал вторичный, вал промежуточный 4
ГАЗ 66-05 Коробка раздаточная: вал вторичный, вал промежуточный 4
ГАЗ 66-11 Коробка отбора мощности 4
ЗИУ 9 Генератор Г-732В 1
ЗИУ 9 Двигатель ДК-661Б 2
ЗИУ 9В(682В) Генератор 2
ЗИУ 9В(682В) Электрооборудование 1
Иж 21251 Коробка передач: вал вторичный 1
Иж 2715-01 Коробка передач: вал вторичный 1
Иж 27151-01 Коробка передач: вал вторичный 1
Иж 27156 Коробка передач: вал вторичный 1
Иж 412 Мост задний: полуось 2
Иж 412 Коробка передач: вал вторичный, опора средняя 1
Иж 412ИЭ Коробка передач: вал вторичный 1
Иж 427 Мост задний: полуось 2
Иж 427 Коробка передач: вал вторичный, опора средняя 1
Иж 434 Мост задний: полуось 2
Иж 434 Коробка передач: вал вторичный, опора средняя 1
КамАЗ 5320 Коробка отбора мощности: ось колеса зубчатого 2
КамАЗ 53211 Коробка отбора мощности: ось колеса зубчатого 2
КамАЗ 53212 Коробка отбора мощности: ось колеса зубчатого 2
КамАЗ 53213 Коробка отбора мощности: ось колеса зубчатого 2
КамАЗ 5410 Коробка отбора мощности: ось колеса зубчатого 2
КамАЗ 54112 Коробка отбора мощности: ось колеса зубчатого 2
КамАЗ 55102 Коробка отбора мощности: ось колеса зубчатого 2
КамАЗ 55111 Коробка отбора мощности: ось колеса зубчатого 2
КЗКТ Э538ДК Двигатель 1
КЗКТ Э538ДК Коробка дополнительная 2
КЗКТ Э538ДП Двигатель 1
КЗКТ Э538ДП Коробка дополнительная 2
Комбайн Дон-1200 Редуктор шнека загрузочного 2
Комбайн Дон-1500 Редуктор шнека загрузочного 2
Комбайн Дон-1500А Редуктор шнека загрузочного 2
Комбайн Енисей-1200 Коробка передач -
Комбайн КЗС-3 Коробка диапазонов: шестерня промежуточная -
Комбайн КЗС-3 Коробка диапазонов: вал промежуточный -
Комбайн Колос Коробка передач -
Комбайн КОП-1.4 Привод ножа -
Комбайн Нива Коробка передач 3
МАЗ 537 Двигатель 1
МАЗ 537Г Двигатель 1
МАЗ 538 Двигатель 1
МАЗ 543 Генератор 1
МАЗ 543 Двигатель 1
МАЗ 547 Генератор 1
МАЗ 547 Двигатель 1
МАЗ 7310 Генератор 1
МАЗ 7310 Двигатель 1
МАЗ 73101 Генератор 1
МАЗ 73101 Двигатель 1
МАЗ 7410 Генератор 1
МАЗ 7410 Двигатель 1
Москвич 2137 Коробка передач: вал вторичный, опора средняя 1
Москвич 2140 Коробка передач: вал вторичный 1
Москвич 2140 Коробка передач: вал вторичный, опора средняя 1
Москвич 2734 Коробка передач: вал вторичный, опора средняя -
Москвич 2737 Коробка передач: вал вторичный, опора средняя 1
Москвич 412 Мост задний: полуось -
Москвич 412ИЭ Коробка передач: вал вторичный -
Москвич 427 Мост задний: полуось -
Москвич 434 Мост задний: полуось -
Мототехника Ява-350 Вал коленчатый: шейка коренная средняя -
Подборщик копнитель ПК-1.6А Рамка дна копнителя -
Пункт картофелесортировальный с переборочными столами КСП-25 Транспортер загрузочный ПСШ.08.000: мотор-барабан -
Станкостроение Не указано Не указано -
Трактор ДТ-20 Передача главная: вал первичный 1
Трактор ДТ-20 Двигатель: вал распределительный 1
Трактор МТЗ-5 Ходоуменьшитель: вал первичный и вторичный, опора передняя 2
Трактор МТЗ-52 Коробка раздаточная 3
Трактор МТЗ-52 Привод карданный: опора промежуточная 2
Трактор МТЗ-52Л Коробка раздаточная 3
Трактор МТЗ-52Л Привод карданный: опора промежуточная 2
Трактор МТЗ-5К Ходоуменьшитель: вал первичный и вторичный, опора передняя 2
Трактор МТЗ-80 Коробка раздаточная 1
Трактор МТЗ-80Л Коробка раздаточная 1
Трактор МТЗ-82 Коробка раздаточная 1
Трактор МТЗ-82Л Коробка раздаточная 1
Трактор Т-012 Ступица задних колес -
Трактор Т-012 Редуктор бортовой: полуось -
Трактор Т-151К с двигателем СМД-62/63 Управление рулевое: вал привода насоса -
Трактор Т-151К с двигателем СМД-62/63 Навеска: вал привода насоса -
Трактор Т-151К с двигателем СМД-62А/63А Насос водяной -
Трактор Т-151К с двигателем СМД-62А/63А Управление рулевое: вал привода насоса -
Трактор Т-151К с двигателем СМД-62А/63А Навеска: вал привода насоса -
Трактор Т-16 Передача главная: корпус 1
Трактор Т-16 Шкив приводной 2
Трактор Т-25 Передача главная 1
Трактор Т-25А Передача главная: вал первичный -
Трактор ХТЗ-120 Двигатель: насос водяной -
Трактор ХТЗ-120 Управление рулевое: вал привода насоса -
Трактор ХТЗ-120 Коробка раздаточная: вал -
Трактор ХТЗ-121 Двигатель: насос водяной -
Трактор ХТЗ-121 Управление рулевое: вал привода насоса -
Трактор ХТЗ-121 Коробка раздаточная: вал -
Трактор ЮМЗ-6АЛ Система охлаждения: привод вентилятора -
Трактор ЮМЗ-6АМ Система охлаждения: привод вентилятора -
Трактор ЮМЗ-6КМ Система охлаждения: привод вентилятора -
Трамвайный вагон КТМ-5М3 Генератор Г-731А 1
Трамвайный вагон КТМ-5М3 Генератор Г-731А 1
Трамвайный вагон КТМ-5М3 Двигатель ДК-661А 2
Трамвайный вагон РВ3-6М2 Электродвигатель ДК-660А 2
УАЗ 2206 Коробка раздаточная 1
УАЗ 31512 Коробка раздаточная 1
УАЗ 31514 Коробка раздаточная 1
УАЗ 3153 Коробка раздаточная 1
УАЗ 3160 Коробка раздаточная: вал привода моста переднего -
УАЗ 31601 Коробка раздаточная: вал привода моста переднего -
УАЗ 31604 Коробка раздаточная: вал привода моста переднего -
УАЗ 31605 Коробка раздаточная: вал привода моста переднего -
УАЗ 3303 Коробка раздаточная 1
УАЗ 33036 Коробка раздаточная 1
УАЗ 3741 Коробка раздаточная 1
УАЗ 3909 Коробка раздаточная 1
УАЗ 39094 Коробка раздаточная -
УАЗ 39095 Коробка раздаточная -
УАЗ 3962 Коробка раздаточная 1
Бренд Обозначение
ГПЗ 306
SKF 6306
FAG 6306
NSK 6306
Товар добавлен в корзину
Перейти в корзину ×