307 А ГОСТ 520
| Обозначение | 307 А ГОСТ 520 |
|---|---|
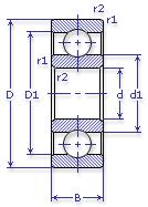
| Внутренний диаметр, d (мм) | 35 |
| Наружный диаметр, D (мм) | 80 |
| Ширина, В (мм) | 21 |
| Масса, m (кг) | 0.44 |
| Грузоподъемность динамическая, C (kN) | 33.2 |
| Грузоподъемность статическая, Co (kN) | 18 |
| Ном. частота вращен. при пластич. смазке, n grease (1/min) | 8500 |
| Марка стали, Материал | ШХ-15 |
| Диаметр шарика, d шарика (мм) | 14.288 |
| Количество шариков, N шариков | 7 |
| Ном. частота вращен. при жидк. смазке, n oil (1/min) | 10000 |
| Диаметр борта наружного кольца, D1(mm) | 66.1 |
| Диаметр борта внутреннего кольца, d1 (mm) | 48.9 |
| Радиус фаски, r1, r2 min (мм) | 1.5 |
Этот подшипник может быть заменен другими:
Подшипник 50307 — Условие отсутствует
Подшипник 60307 — При условии демонтажа одной защитной шайбы
Подшипник 160307 — При условии демонтажа одной защитной шайбы
Подшипник 150307 — При условии демонтажа одной защитной шайбы (п/ш с канавкой)
Подшипник 80307 — При условии демонтажа 2-х защитных шайб
Подшипник 180307 — При условии демонтажа 2-х защитных шайб
Подшипник 450307 — При условии демонтажа 2-х защитных шайб
Подшипник 750307 — При условии демонтажа 2-х защитных шайб
| Марка | Модель | Узел | Кол-во на узел |
|---|---|---|---|
| Автопогрузчик | 4014 | Коробка передач | 1 |
| Автопогрузчик | 4016 | Коробка передач | 1 |
| Автопогрузчик | 4017 | Коробка передач | 1 |
| Автопогрузчик | 4043М | Коробка передач | 1 |
| Автопогрузчик | 4045Р | Коробка передач | 1 |
| Автопогрузчик | 4065 | Коробка передач | 1 |
| БелАЗ | 75211(180т) | Коробка отбора мощности | 2 |
| Подшипники ГАЗ | 27057 | Коробка раздаточная: вал промежуточный, опора задняя | 1 |
| Подшипники ГАЗ | 32217 | Коробка раздаточная: вал промежуточный, опора задняя | 1 |
| Подшипники ГАЗ | 322172 | Коробка раздаточная: вал промежуточный, опора задняя | 1 |
| Подшипники ГАЗ | 322173 | Коробка раздаточная: вал промежуточный, опора задняя | 1 |
| Подшипники ГАЗ | 33027 | Коробка раздаточная: вал промежуточный, опора задняя | 1 |
| Подшипники ГАЗ | 330273 | Коробка раздаточная: вал промежуточный, опора задняя | 1 |
| ГАЗ | 52-01 | Коробка передач | 1 |
| ГАЗ | 52-01 | Коробка передач: вал вторичный | 1 |
| ГАЗ | 52-04 | Коробка передач | 1 |
| ГАЗ | 52-04 | Коробка передач: вал вторичный | 1 |
| ГАЗ | 52-05 | Коробка передач | 1 |
| ГАЗ | 52-05 | Коробка передач: вал вторичный | 1 |
| ЗИЛ | 131В | Коробка отбора мощности | 1 |
| ЗИЛ | 131В | Коробка отбора мощности | 3 |
| ЗИЛ | 131М | Коробка отбора мощности | 1 |
| ЗИЛ | 131МВ | Коробка отбора мощности | 1 |
| ЗИЛ | 131Н | Коробка отбора мощности | 1 |
| ЗИЛ | 131Н | Коробка отбора мощности | 3 |
| ЗИЛ | 131НВ | Коробка отбора мощности | 1 |
| ЗИЛ | 131НВ | Коробка отбора мощности | 3 |
| ЗИЛ | 137Б | Коробка отбора мощности | 1 |
| КамАЗ | 4310 | Коробка отбора мощности | 2 |
| КамАЗ | 43105 | Коробка отбора мощности | 2 |
| КЗКТ | Э538ДК | Двигатель | 1 |
| КЗКТ | Э538ДП | Двигатель | 1 |
| Комбайн | Дон-1200 | Жатка: привод шнека реверсивный | - |
| Комбайн | Дон-1500 | Жатка: привод шнека реверсивный | - |
| Комбайн | Дон-1500А | Привод реверсивный шнека жатки | 3 |
| Комбайн | Дон-680 | Редуктор конический: муфта | 2 |
| Комбайн | КПИ-2.4 | Измельчитель: коробка распределительная | - |
| Косилка | КПС-5Г | Коробка главная | - |
| Косилка | КПС-5Г | Орган рабочий: шкив привода | - |
| МАЗ | 537 | Двигатель | 1 |
| МАЗ | 537 | Двигатель: система охлаждения | 16 |
| МАЗ | 537 | Передача повышающая | 4 |
| МАЗ | 537Г | Двигатель | 1 |
| МАЗ | 537Г | Двигатель: система охлаждения | 16 |
| МАЗ | 537Г | Передача повышающая | 4 |
| МАЗ | 538 | Двигатель | 1 |
| МАЗ | 538 | Коробка передач гидромеханическая | 3 |
| МАЗ | 543 | Двигатель | 1 |
| МАЗ | 543 | Двигатель: система охлаждения | 4 |
| МАЗ | 543 | Коробка отбора мощности | 6 |
| МАЗ | 543 | Передача повышающая | 2 |
| МАЗ | 543 | Редуктор 2-го заднего моста | 4 |
| МАЗ | 547 | Двигатель | 1 |
| МАЗ | 547 | Двигатель: система охлаждения | 3 |
| МАЗ | 547 | Мост задний: полуось | 6 |
| МАЗ | 7310 | Двигатель | 1 |
| МАЗ | 7310 | Двигатель: система охлаждения | 3 |
| МАЗ | 7310 | Передача повышающая | 2 |
| МАЗ | 7310 | Редуктор 2-го заднего моста | 4 |
| МАЗ | 73101 | Двигатель | 1 |
| МАЗ | 73101 | Двигатель: система охлаждения | 4 |
| МАЗ | 73101 | Передача повышающая | 2 |
| МАЗ | 73101 | Редуктор 2-го заднего моста | 4 |
| МАЗ | 7410 | Двигатель | 1 |
| МАЗ | 7410 | Коробка передач планетарная | 4 |
| МАЗ | 7410 | Передача повышающая | 2 |
| МоАЗ | 6401-9585 | Вентилятор: привод | 3 |
| МоАЗ | 7405-9586 | Вентилятор: привод | 3 |
| САЗ | 4509 | Коробка передач: вал вторичный | 1 |
| Станкостроение | Не указано | Не указано | - |
| Трактор | ДТ-20 | Механизм уравновешивающий | 2 |
| Трактор | МТЗ-5 | Коробка передач: вал внутренний, опора передняя | 1 |
| Трактор | МТЗ-50 | Коробка передач: вал внутренний, опора передняя | 1 |
| Трактор | МТЗ-50 | Сцепление: вал силовой передачи муфты, опора передняя | 1 |
| Трактор | МТЗ-50 | Двигатель: привод вентилятора, опора передняя | 1 |
| Трактор | МТЗ-50Л | Коробка передач: вал внутренний, опора передняя | 1 |
| Трактор | МТЗ-50Л | Сцепление: вал силовой передачи муфты, опора передняя | 1 |
| Трактор | МТЗ-50ПЛ | Коробка передач: вал внутренний, опора передняя | 1 |
| Трактор | МТЗ-50ПЛ | Сцепление: вал силовой передачи муфты, опора передняя | 1 |
| Трактор | МТЗ-52 | Коробка передач: вал внутренний, опора передняя | 1 |
| Трактор | МТЗ-52 | Сцепление: вал силовой передачи муфты, опора передняя | 1 |
| Трактор | МТЗ-52Л | Коробка передач: вал внутренний, опора передняя | 1 |
| Трактор | МТЗ-52Л | Сцепление: вал силовой передачи муфты, опора передняя | 1 |
| Трактор | МТЗ-52Л | Сцепление: вал передачи силовой | 1 |
| Трактор | МТЗ-5Л | Коробка передач: вал внутренний, опора передняя | 1 |
| Трактор | МТЗ-5ЛС | Коробка передач: вал внутренний, опора передняя | 1 |
| Трактор | МТЗ-5М | Коробка передач: вал внутренний, опора передняя | 1 |
| Трактор | МТЗ-5МС | Коробка передач: вал внутренний, опора передняя | 1 |
| Трактор | МТЗ-80 | Муфта сцепления: вал передачи силовой, опора передняя | - |
| Трактор | МТЗ-80Л | Коробка передач: вал внутренний, опора передняя | 1 |
| Трактор | МТЗ-80Л | Муфта сцепления: вал передачи силовой, опора передняя | 1 |
| Трактор | МТЗ-82 | Коробка передач: вал внутренний, опора передняя | 1 |
| Трактор | МТЗ-82 | Муфта сцепления: вал передачи силовой, опора передняя | 1 |
| Трактор | МТЗ-82Л | Коробка передач: вал внутренний, опора передняя | 1 |
| Трактор | МТЗ-82Л | Муфта сцепления: вал передачи силовой, опора передняя | 1 |
| Трактор | Т 330 | Коробка передач с механизмами реверса | 1 |
| Трактор | Т 330Г | Коробка передач с механизмами реверса | 1 |
| Трактор | Т-012 | Ступица задних колес | - |
| Трактор | Т-16 | Передача главная: корпус | 1 |
| Трактор | Т-16 | Шкив приводной | 1 |
| Трактор | Т-16 | Сцепление: корпус подшипника выжимного | 1 |
| Трактор | Т-74 | Коробка передач | - |
| Трактор | Т-75 | Коробка передач: вал дополнительный | 1 |
| Трактор | ЮМЗ-6АЛ | Коробка передач | - |
| Трактор | ЮМЗ-6АМ | Коробка передач | - |
| Трактор | ЮМЗ-6КМ | Коробка передач | - |
| УАЗ | 2206 | Коробка раздаточная | 1 |
| УАЗ | 2206 | Коробка раздаточная: вал привода моста заднего | - |
| УАЗ | 2206 | Коробка раздаточная: вал привода | 1 |
| УАЗ | 3151 | Коробка раздаточная | 1 |
| УАЗ | 31512 | Коробка раздаточная: вал привода моста заднего | 1 |
| УАЗ | 31514 | Коробка раздаточная: вал привода моста заднего | 1 |
| УАЗ | 3153 | Коробка раздаточная: вал привода моста заднего | 1 |
| УАЗ | 3160 | Коробка раздаточная: вал привода моста заднего, опора передняя | - |
| УАЗ | 31601 | Коробка раздаточная: вал привода моста заднего, опора передняя | - |
| УАЗ | 31604 | Коробка раздаточная: вал привода моста заднего, опора передняя | - |
| УАЗ | 31605 | Коробка раздаточная: вал привода моста заднего, опора передняя | - |
| УАЗ | 3303 | Коробка раздаточная | 1 |
| УАЗ | 3303 | Коробка раздаточная: вал привода моста заднего | - |
| УАЗ | 3303 | Коробка раздаточная: вал привода | 1 |
| УАЗ | 33036 | Коробка раздаточная: вал привода моста заднего | - |
| УАЗ | 33036 | Коробка раздаточная: вал привода | 1 |
| УАЗ | 3741 | Коробка раздаточная | 1 |
| УАЗ | 3741 | Коробка раздаточная: вал привода моста заднего | - |
| УАЗ | 3741 | Коробка раздаточная: вал привода | 1 |
| УАЗ | 3909 | Коробка раздаточная: вал привода моста заднего | - |
| УАЗ | 3909 | Коробка раздаточная: вал привода | 1 |
| УАЗ | 39094 | Коробка раздаточная: вал привода моста заднего | - |
| УАЗ | 39095 | Коробка раздаточная: вал привода моста заднего | - |
| УАЗ | 3962 | Коробка раздаточная | 1 |
| УАЗ | 3962 | Коробка раздаточная: вал привода моста заднего | - |
| УАЗ | 3962 | Коробка раздаточная: вал привода | 1 |
| УАЗ | 452 | Коробка раздаточная | 1 |
| УАЗ | 452 фургон | Коробка раздаточная | 1 |
| УАЗ | 452А | Коробка раздаточная | 1 |
| УАЗ | 452В | Коробка раздаточная | 1 |
| УАЗ | 452Д | Коробка раздаточная | 1 |
| УАЗ | 469 | Коробка раздаточная | 1 |
| УАЗ | 469Б | Коробка раздаточная | 1 |
| УАЗ | 469БГ | Коробка раздаточная | 1 |
| УАЗ | 469М | Коробка раздаточная | 1 |
| УРАЛ | 375Д | Коробка отбора мощности | 1 |
| УРАЛ | 375ДМ | Коробка отбора мощности | 1 |
| УРАЛ | 5557 | Коробка отбора мощности | 2 |