Подшипники гост
Интернет-магазин
8-800-250-16-58
Обратный звонок

Заказ обратного звонка




Эл. почта:
info@amost.ru
Свои заказы Корзина пуста





Получать прайс-лист на email:

Чтобы отписаться от рассылки, введите e-mail, на который вы получаете наши письма:

 

Поиск подшипников

Масса и размеры

Внутренний диаметр d, мм

От  до 

Наружный диаметр D, мм

От  до 

Ширина b, мм

Применяемость

Раздел каталога

Подшипник шариковый радиальный однорядный основного конструктивного исполнения

307 К4 ТУ 37.006.170

Отечественный
Импортный

Производитель



уточнять наличие
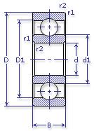
Обозначение 307 К4 ТУ 37.006.170
Внутренний диаметр, d (мм) 35
Наружный диаметр, D (мм) 80
Ширина, В (мм) 21
Масса, m (кг) 0.44
Грузоподъемность динамическая, C (kN) 33.2
Грузоподъемность статическая, Co (kN) 18
Ном. частота вращен. при пластич. смазке, n grease (1/min) 8500
Марка стали, Материал ШХ-15
Диаметр шарика, d шарика (мм) 14.288
Количество шариков, N шариков 7
Ном. частота вращен. при жидк. смазке, n oil (1/min) 10000
Диаметр борта наружного кольца, D1(mm) 66.1
Диаметр борта внутреннего кольца, d1 (mm) 48.9
Радиус фаски, r1, r2 min (мм) 1.5
307 К4 ТУ 37.006.170

Этот подшипник может быть заменен другими:

Подшипник 50307 — Условие отсутствует

Подшипник 60307 — При условии демонтажа одной защитной шайбы

Подшипник 160307 — При условии демонтажа одной защитной шайбы

Подшипник 150307 — При условии демонтажа одной защитной шайбы (п/ш с канавкой)

Подшипник 80307 — При условии демонтажа 2-х защитных шайб

Подшипник 180307 — При условии демонтажа 2-х защитных шайб

Подшипник 450307 — При условии демонтажа 2-х защитных шайб

Подшипник 750307 — При условии демонтажа 2-х защитных шайб

Марка Модель Узел Кол-во на узел
Автопогрузчик 4014 Коробка передач 1
Автопогрузчик 4016 Коробка передач 1
Автопогрузчик 4017 Коробка передач 1
Автопогрузчик 4043М Коробка передач 1
Автопогрузчик 4045Р Коробка передач 1
Автопогрузчик 4065 Коробка передач 1
БелАЗ 75211(180т) Коробка отбора мощности 2
Подшипники ГАЗ 27057 Коробка раздаточная: вал промежуточный, опора задняя 1
Подшипники ГАЗ 32217 Коробка раздаточная: вал промежуточный, опора задняя 1
Подшипники ГАЗ 322172 Коробка раздаточная: вал промежуточный, опора задняя 1
Подшипники ГАЗ 322173 Коробка раздаточная: вал промежуточный, опора задняя 1
Подшипники ГАЗ 33027 Коробка раздаточная: вал промежуточный, опора задняя 1
Подшипники ГАЗ 330273 Коробка раздаточная: вал промежуточный, опора задняя 1
ГАЗ 52-01 Коробка передач 1
ГАЗ 52-01 Коробка передач: вал вторичный 1
ГАЗ 52-04 Коробка передач 1
ГАЗ 52-04 Коробка передач: вал вторичный 1
ГАЗ 52-05 Коробка передач 1
ГАЗ 52-05 Коробка передач: вал вторичный 1
ЗИЛ 131В Коробка отбора мощности 1
ЗИЛ 131В Коробка отбора мощности 3
ЗИЛ 131М Коробка отбора мощности 1
ЗИЛ 131МВ Коробка отбора мощности 1
ЗИЛ 131Н Коробка отбора мощности 1
ЗИЛ 131Н Коробка отбора мощности 3
ЗИЛ 131НВ Коробка отбора мощности 1
ЗИЛ 131НВ Коробка отбора мощности 3
ЗИЛ 137Б Коробка отбора мощности 1
КамАЗ 4310 Коробка отбора мощности 2
КамАЗ 43105 Коробка отбора мощности 2
КЗКТ Э538ДК Двигатель 1
КЗКТ Э538ДП Двигатель 1
Комбайн Дон-1200 Жатка: привод шнека реверсивный -
Комбайн Дон-1500 Жатка: привод шнека реверсивный -
Комбайн Дон-1500А Привод реверсивный шнека жатки 3
Комбайн Дон-680 Редуктор конический: муфта 2
Комбайн КПИ-2.4 Измельчитель: коробка распределительная -
Косилка КПС-5Г Коробка главная -
Косилка КПС-5Г Орган рабочий: шкив привода -
МАЗ 537 Двигатель 1
МАЗ 537 Двигатель: система охлаждения 16
МАЗ 537 Передача повышающая 4
МАЗ 537Г Двигатель 1
МАЗ 537Г Двигатель: система охлаждения 16
МАЗ 537Г Передача повышающая 4
МАЗ 538 Двигатель 1
МАЗ 538 Коробка передач гидромеханическая 3
МАЗ 543 Двигатель 1
МАЗ 543 Двигатель: система охлаждения 4
МАЗ 543 Коробка отбора мощности 6
МАЗ 543 Передача повышающая 2
МАЗ 543 Редуктор 2-го заднего моста 4
МАЗ 547 Двигатель 1
МАЗ 547 Двигатель: система охлаждения 3
МАЗ 547 Мост задний: полуось 6
МАЗ 7310 Двигатель 1
МАЗ 7310 Двигатель: система охлаждения 3
МАЗ 7310 Передача повышающая 2
МАЗ 7310 Редуктор 2-го заднего моста 4
МАЗ 73101 Двигатель 1
МАЗ 73101 Двигатель: система охлаждения 4
МАЗ 73101 Передача повышающая 2
МАЗ 73101 Редуктор 2-го заднего моста 4
МАЗ 7410 Двигатель 1
МАЗ 7410 Коробка передач планетарная 4
МАЗ 7410 Передача повышающая 2
МоАЗ 6401-9585 Вентилятор: привод 3
МоАЗ 7405-9586 Вентилятор: привод 3
САЗ 4509 Коробка передач: вал вторичный 1
Станкостроение Не указано Не указано -
Трактор ДТ-20 Механизм уравновешивающий 2
Трактор МТЗ-5 Коробка передач: вал внутренний, опора передняя 1
Трактор МТЗ-50 Коробка передач: вал внутренний, опора передняя 1
Трактор МТЗ-50 Сцепление: вал силовой передачи муфты, опора передняя 1
Трактор МТЗ-50 Двигатель: привод вентилятора, опора передняя 1
Трактор МТЗ-50Л Коробка передач: вал внутренний, опора передняя 1
Трактор МТЗ-50Л Сцепление: вал силовой передачи муфты, опора передняя 1
Трактор МТЗ-50ПЛ Коробка передач: вал внутренний, опора передняя 1
Трактор МТЗ-50ПЛ Сцепление: вал силовой передачи муфты, опора передняя 1
Трактор МТЗ-52 Коробка передач: вал внутренний, опора передняя 1
Трактор МТЗ-52 Сцепление: вал силовой передачи муфты, опора передняя 1
Трактор МТЗ-52Л Коробка передач: вал внутренний, опора передняя 1
Трактор МТЗ-52Л Сцепление: вал силовой передачи муфты, опора передняя 1
Трактор МТЗ-52Л Сцепление: вал передачи силовой 1
Трактор МТЗ-5Л Коробка передач: вал внутренний, опора передняя 1
Трактор МТЗ-5ЛС Коробка передач: вал внутренний, опора передняя 1
Трактор МТЗ-5М Коробка передач: вал внутренний, опора передняя 1
Трактор МТЗ-5МС Коробка передач: вал внутренний, опора передняя 1
Трактор МТЗ-80 Муфта сцепления: вал передачи силовой, опора передняя -
Трактор МТЗ-80Л Коробка передач: вал внутренний, опора передняя 1
Трактор МТЗ-80Л Муфта сцепления: вал передачи силовой, опора передняя 1
Трактор МТЗ-82 Коробка передач: вал внутренний, опора передняя 1
Трактор МТЗ-82 Муфта сцепления: вал передачи силовой, опора передняя 1
Трактор МТЗ-82Л Коробка передач: вал внутренний, опора передняя 1
Трактор МТЗ-82Л Муфта сцепления: вал передачи силовой, опора передняя 1
Трактор Т 330 Коробка передач с механизмами реверса 1
Трактор Т 330Г Коробка передач с механизмами реверса 1
Трактор Т-012 Ступица задних колес -
Трактор Т-16 Передача главная: корпус 1
Трактор Т-16 Шкив приводной 1
Трактор Т-16 Сцепление: корпус подшипника выжимного 1
Трактор Т-74 Коробка передач -
Трактор Т-75 Коробка передач: вал дополнительный 1
Трактор ЮМЗ-6АЛ Коробка передач -
Трактор ЮМЗ-6АМ Коробка передач -
Трактор ЮМЗ-6КМ Коробка передач -
УАЗ 2206 Коробка раздаточная 1
УАЗ 2206 Коробка раздаточная: вал привода моста заднего -
УАЗ 2206 Коробка раздаточная: вал привода 1
УАЗ 3151 Коробка раздаточная 1
УАЗ 31512 Коробка раздаточная: вал привода моста заднего 1
УАЗ 31514 Коробка раздаточная: вал привода моста заднего 1
УАЗ 3153 Коробка раздаточная: вал привода моста заднего 1
УАЗ 3160 Коробка раздаточная: вал привода моста заднего, опора передняя -
УАЗ 31601 Коробка раздаточная: вал привода моста заднего, опора передняя -
УАЗ 31604 Коробка раздаточная: вал привода моста заднего, опора передняя -
УАЗ 31605 Коробка раздаточная: вал привода моста заднего, опора передняя -
УАЗ 3303 Коробка раздаточная 1
УАЗ 3303 Коробка раздаточная: вал привода моста заднего -
УАЗ 3303 Коробка раздаточная: вал привода 1
УАЗ 33036 Коробка раздаточная: вал привода моста заднего -
УАЗ 33036 Коробка раздаточная: вал привода 1
УАЗ 3741 Коробка раздаточная 1
УАЗ 3741 Коробка раздаточная: вал привода моста заднего -
УАЗ 3741 Коробка раздаточная: вал привода 1
УАЗ 3909 Коробка раздаточная: вал привода моста заднего -
УАЗ 3909 Коробка раздаточная: вал привода 1
УАЗ 39094 Коробка раздаточная: вал привода моста заднего -
УАЗ 39095 Коробка раздаточная: вал привода моста заднего -
УАЗ 3962 Коробка раздаточная 1
УАЗ 3962 Коробка раздаточная: вал привода моста заднего -
УАЗ 3962 Коробка раздаточная: вал привода 1
УАЗ 452 Коробка раздаточная 1
УАЗ 452 фургон Коробка раздаточная 1
УАЗ 452А Коробка раздаточная 1
УАЗ 452В Коробка раздаточная 1
УАЗ 452Д Коробка раздаточная 1
УАЗ 469 Коробка раздаточная 1
УАЗ 469Б Коробка раздаточная 1
УАЗ 469БГ Коробка раздаточная 1
УАЗ 469М Коробка раздаточная 1
УРАЛ 375Д Коробка отбора мощности 1
УРАЛ 375ДМ Коробка отбора мощности 1
УРАЛ 5557 Коробка отбора мощности 2
Бренд Обозначение
ГПЗ 307
SKF 6307
FAG 6307
NSK 6307
Товар добавлен в корзину
Перейти в корзину ×