Подшипники гост
Интернет-магазин
8-800-250-16-58
Обратный звонок

Заказ обратного звонка




Эл. почта:
info@amost.ru
Свои заказы Корзина пуста





Получать прайс-лист на email:

Чтобы отписаться от рассылки, введите e-mail, на который вы получаете наши письма:

 

Поиск подшипников

Масса и размеры

Внутренний диаметр d, мм

От  до 

Наружный диаметр D, мм

От  до 

Ширина b, мм

Применяемость

Раздел каталога

Подшипник шариковый радиальный однорядный основного конструктивного исполнения

308 А1W3 ГОСТ 520

Отечественный
Импортный

Производитель



уточнять наличие
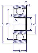
Обозначение 308 А1W3 ГОСТ 520
Внутренний диаметр, d (мм) 40
Наружный диаметр, D (мм) 90
Ширина, В (мм) 23
Масса, m (кг) 0.64
Грузоподъемность динамическая, C (kN) 41
Грузоподъемность статическая, Co (kN) 22.4
Ном. частота вращен. при пластич. смазке, n grease (1/min) 7500
Марка стали, Материал ШХ-15
Количество шариков, N шариков 8
Ном. частота вращен. при жидк. смазке, n oil (1/min) 9000
Диаметр борта наружного кольца, D1(mm) 74.5
Диаметр борта внутреннего кольца, d1 (mm) 56.5
Радиус фаски, r1, r2 min (мм) 1.5
308 А1W3 ГОСТ 520

Этот подшипник может быть заменен другими:

Подшипник 50308 — Условие отсутствует

Подшипник 60308 — При условии демонтажа одной защитной шайбы

Подшипник 160308 — При условии демонтажа одной защитной шайбы

Подшипник 150308 — При условии демонтажа одной защитной шайбы (п/ш с канавкой)

Подшипник 80308 — При условии демонтажа 2-х защитных шайб

Подшипник 180308 — При условии демонтажа 2-х защитных шайб

Подшипник 450308 — При условии демонтажа 2-х защитных шайб

Марка Модель Узел Кол-во на узел
Автопогрузчик 4008М Грузоподъемник 2
Автопогрузчик 4014 Коробка передач 4
Автопогрузчик 4014 Грузоподъемник 5
Автопогрузчик 4016 Коробка передач 4
Автопогрузчик 4016 Грузоподъемник 5
Автопогрузчик 4017 Коробка передач 4
Автопогрузчик 4017 Грузоподъемник 5
Автопогрузчик 4022 Мост передний ведущий 2
Автопогрузчик 4043М Коробка передач 4
Автопогрузчик 4043М Грузоподъемник 4
Автопогрузчик 4045Р Коробка передач 4
Автопогрузчик 4045Р Грузоподъемник 2
Автопогрузчик 4065 Коробка передач 4
Автопогрузчик 4065 Мост передний ведущий 2
Автопогрузчик 4065 Грузоподъемник 10
БелАЗ 549(75т) Двигатель 16
БелАЗ 7509 Двигатель 16
БелАЗ 75091(75т) Двигатель 16
Подшипники ГАЗ 24 Мост задний 2
Подшипники ГАЗ 24 Мост задний: полуось 2
Подшипники ГАЗ 24-10 Мост задний 2
Подшипники ГАЗ 24-10 Мост задний: полуось 2
Подшипники ГАЗ 24-11 Мост задний 2
Подшипники ГАЗ 24-11 Мост задний: полуось 2
Подшипники ГАЗ 24-12 Мост задний 2
Подшипники ГАЗ 24-13 Мост задний 2
Подшипники ГАЗ 31022 Мост задний: полуось 2
Подшипники ГАЗ 31029 Мост задний: полуось 2
ГАЗ 53Б Коробка отбора мощности 1
ГАЗ 53Б Коробка отбора мощности 1
ГАЗ САЗ 3502 Коробка отбора мощности 1
ГАЗ САЗ 3503 Коробка отбора мощности 1
ГАЗ САЗ 53Б Коробка отбора мощности 1
ЕрАЗ 762В Мост задний 2
ЕрАЗ 762В Мост задний 2
ЗИУ 9 Двигатель компрессора ДК-408В 1
Комбайн Дон-680 Редуктор конический 2
Комбайн Енисей-1200 Вариатор: ось блока -
Комбайн Колос Блок шкивов вариатора ходовой части -
Комбайн КПИ-2.4 Жатка для уборки силосных культур: редуктор -
Комбайн КСК-100А/А1 Коробка передач с механизмами реверса -
Комбайн КСКУ-6 Коробка переключения диапазонов -
Комбайн Нива Вариатор: блок шкивов -
КрАЗ 214Б Коробка отбора мощности: вал шестерни ведомой, опора задняя -
КрАЗ 214Б Коробка отбора мощности: вал шестерни ведомой, опора передняя -
КрАЗ 214Б Мост передний: картер привода, опора вала промежуточного -
КрАЗ 255 Коробка отбора мощности 2
КрАЗ 255 Мост передний ведущий 1
КрАЗ 255 Мост передний ведущий: привод 1
КрАЗ 255Б1 Коробка отбора мощности 2
КрАЗ 255Б1 Мост передний ведущий 1
КрАЗ 255Б1 Мост передний ведущий: привод 1
КрАЗ 255Б1А Коробка отбора мощности 2
КрАЗ 255Б1А Мост передний ведущий 1
КрАЗ 255Б1А Мост передний ведущий: привод 1
КрАЗ 255В1 Коробка отбора мощности 2
КрАЗ 255В1 Мост передний ведущий 1
КрАЗ 255В1 Мост передний ведущий: привод 1
КрАЗ 255Л1 Коробка отбора мощности 2
КрАЗ 255Л1 Мост передний ведущий 1
КрАЗ 255Л1 Мост передний ведущий: привод 1
КрАЗ 256Б1 Коробка отбора мощности 2
КрАЗ 260А Коробка отбора мощности 2
КрАЗ 260Г Коробка отбора мощности 2
КрАЗ 260С Коробка отбора мощности 2
МАЗ 537 Коробка отбора мощности 1
МАЗ 537 Передача повышающая 1
МАЗ 537Г Коробка отбора мощности 1
МАЗ 537Г Передача повышающая 1
МАЗ 538 Коробка передач гидромеханическая 3
МАЗ 543 Передача повышающая 1
МАЗ 547 Передача повышающая 2
МАЗ 7310 Передача повышающая 2
МАЗ 73101 Передача повышающая 1
МАЗ 7410 Передача повышающая 1
РАФ 2203 Мост задний 2
РАФ 2203 Мост задний 2
РАФ 22031 Мост задний 2
РАФ 22031 Мост задний 2
РАФ 22032 Мост задний 2
РАФ 22035 Мост задний 2
РАФ 22035 Мост задний 2
РАФ 22038 Мост задний 2
РАФ 22038 Мост задний 2
САЗ 3502 Коробка отбора мощности -
САЗ 3502 Коробка отбора мощности -
САЗ 3507 Коробка отбора мощности -
САЗ 3507 Коробка отбора мощности -
Свеклопогрузчик навесной тракторный СНТ-2.1А Ходоуменьшитель к трактору -
Станкостроение Не указано Не указано -
Трактор ДТ-20 Передача главная: вал главный 1
Трактор ДТ-20 Передача главная: вал первичный 1
Трактор ДТ-75 Двигатель: вал редуктора 1
Трактор МТЗ-2 Сцепление: опора задняя муфты 1
Трактор МТЗ-2 Двигатель: привод вентилятора, опора передняя 1
Трактор МТЗ-2 Система тормозная: опоры передняя и задняя 4
Трактор МТЗ-5 Двигатель: привод вентилятора, опора передняя 1
Трактор МТЗ-5 Система тормозная: опоры передняя и задняя 4
Трактор МТЗ-5 Шкив приводной: вал ведущий, опора задняя 1
Трактор МТЗ-50Л Двигатель пусковой ПД-10У: редуктор 1
Трактор МТЗ-50ПЛ Коробка передач: вал ведущий, опора правая 1
Трактор МТЗ-50ПЛ Двигатель: привод вентилятора, опора передняя 2
Трактор МТЗ-52Л Двигатель пусковой ПД-10У: редуктор 1
Трактор МТЗ-5К Двигатель: привод вентилятора, опора передняя 1
Трактор МТЗ-5К Система тормозная: опоры передняя и задняя 4
Трактор МТЗ-5К Шкив приводной: вал ведущий, опора задняя 1
Трактор МТЗ-5Л Коробка передач: вал ведущий, опора правая 2
Трактор МТЗ-5Л Двигатель: привод вентилятора, опора передняя 1
Трактор МТЗ-5Л Коробка передач: вал ведущий, опора передняя -
Трактор МТЗ-5ЛС Коробка передач: вал ведущий, опора правая 2
Трактор МТЗ-5ЛС Двигатель: привод вентилятора, опора передняя 1
Трактор МТЗ-5ЛС Коробка передач: вал ведущий, опора передняя -
Трактор МТЗ-5М Коробка передач: вал ведущий, опора правая 1
Трактор МТЗ-5М Двигатель: привод вентилятора, опора передняя 2
Трактор МТЗ-5М Коробка передач: вал ведущий, опора передняя -
Трактор МТЗ-5МС Коробка передач: вал ведущий, опора правая 1
Трактор МТЗ-5МС Двигатель: привод вентилятора, опора передняя 2
Трактор МТЗ-5МС Коробка передач: вал ведущий, опора передняя -
Трактор МТЗ-80Л Двигатель пусковой: редуктор 1
Трактор МТЗ-82Л Двигатель пусковой: редуктор 1
Трактор Т-150 Вал отбора мощности: вал ведущий редуктора 1
Трактор Т-150 Вал отбора мощности: корпус включения 1
Трактор Т-150 Двигатель: вал редуктора двигателя пускового 1
Трактор Т-150К Вал отбора мощности: вал привода 2
Трактор Т-150К Двигатель: вал регулятора двигателя пускового -
Трактор Т-150К Двигатель: вал редуктора двигателя пускового 1
Трактор Т-150К Вал отбора мощности: вал ведущий 1
Трактор Т-151К с двигателем СМД-62/63 Вал отбора мощности: вал привода -
Трактор Т-151К с двигателем СМД-62/63 Вал отбора мощности: вал ведущий -
Трактор Т-151К с двигателем СМД-62/63 Вал отбора мощности: опора промежуточная -
Трактор Т-151К с двигателем СМД-62А/63А Вал отбора мощности: вал привода -
Трактор Т-151К с двигателем СМД-62А/63А Вал отбора мощности: вал ведущий -
Трактор Т-151К с двигателем СМД-62А/63А Вал отбора мощности: опора промежуточная -
Трактор Т-25 Передача главная 2
Трактор Т-25А Передача главная: вал главный, вал первичный -
Трактор Т-40 Вал отбора мощности задний 1
Трактор Т-40А Вал отбора мощности задний 1
Трактор Т-40АМ Вал отбора мощности независимый синхронный -
Трактор Т-40АНМ Вал отбора мощности независимый синхронный -
Трактор Т-40М Вал отбора мощности независимый синхронный -
Трактор Т-74 Вал отбора мощности -
Трактор Т-74 Редуктор -
Трактор Т-75 Двигатель: шкив вентилятора, опора передняя 1
Трактор Т-75 Вал отбора мощности: вал приводной редуктора зависимого вала 1
Трактор Т-75 Вал отбора мощности: вал-шестерня редуктора зависимого вала 2
Трактор Т-75 с двигателем СМД-14Г Двигатель: вал редуктора -
Трактор ХТЗ-120 Вал отбора мощности: вал ведущий -
Трактор ХТЗ-120 Коробка раздаточная: вал привода ВОМ -
Трактор ХТЗ-121 Вал отбора мощности: вал ведущий -
Трактор ХТЗ-121 Коробка раздаточная: вал привода ВОМ -
Трактор ХТЗ-16131 (кроме двигателя) Вал отбора мощности: вал ведущий -
Трактор ХТЗ-16131 (кроме двигателя) Коробка раздаточная: вал привода ВОМ -
Трактор ЮМЗ-6АЛ Коробка передач -
Трактор ЮМЗ-6АМ Коробка передач -
Трактор ЮМЗ-6КМ Коробка передач -
Трамвайный вагон РВ3-6М2 Двигатель компрессора ДК-408В 1
Бренд Обозначение
ГПЗ 308
SKF 6308
FAG 6308
NSK 6308
Товар добавлен в корзину
Перейти в корзину ×