308 ЛТ ГОСТ 520
| Обозначение | 308 ЛТ ГОСТ 520 |
|---|---|
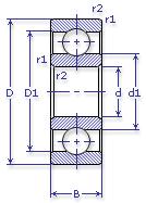
| Внутренний диаметр, d (мм) | 40 |
| Наружный диаметр, D (мм) | 90 |
| Ширина, В (мм) | 23 |
| Масса, m (кг) | 0.64 |
| Грузоподъемность динамическая, C (kN) | 41 |
| Грузоподъемность статическая, Co (kN) | 22.4 |
| Ном. частота вращен. при пластич. смазке, n grease (1/min) | 7500 |
| Марка стали, Материал | ШХ-15 |
| Количество шариков, N шариков | 8 |
| Ном. частота вращен. при жидк. смазке, n oil (1/min) | 9000 |
| Диаметр борта наружного кольца, D1(mm) | 74.5 |
| Диаметр борта внутреннего кольца, d1 (mm) | 56.5 |
| Радиус фаски, r1, r2 min (мм) | 1.5 |
Этот подшипник может быть заменен другими:
Подшипник 50308 — Условие отсутствует
Подшипник 60308 — При условии демонтажа одной защитной шайбы
Подшипник 160308 — При условии демонтажа одной защитной шайбы
Подшипник 150308 — При условии демонтажа одной защитной шайбы (п/ш с канавкой)
Подшипник 80308 — При условии демонтажа 2-х защитных шайб
Подшипник 180308 — При условии демонтажа 2-х защитных шайб
Подшипник 450308 — При условии демонтажа 2-х защитных шайб
| Марка | Модель | Узел | Кол-во на узел |
|---|---|---|---|
| Автопогрузчик | 4008М | Грузоподъемник | 2 |
| Автопогрузчик | 4014 | Коробка передач | 4 |
| Автопогрузчик | 4014 | Грузоподъемник | 5 |
| Автопогрузчик | 4016 | Коробка передач | 4 |
| Автопогрузчик | 4016 | Грузоподъемник | 5 |
| Автопогрузчик | 4017 | Коробка передач | 4 |
| Автопогрузчик | 4017 | Грузоподъемник | 5 |
| Автопогрузчик | 4022 | Мост передний ведущий | 2 |
| Автопогрузчик | 4043М | Коробка передач | 4 |
| Автопогрузчик | 4043М | Грузоподъемник | 4 |
| Автопогрузчик | 4045Р | Коробка передач | 4 |
| Автопогрузчик | 4045Р | Грузоподъемник | 2 |
| Автопогрузчик | 4065 | Коробка передач | 4 |
| Автопогрузчик | 4065 | Мост передний ведущий | 2 |
| Автопогрузчик | 4065 | Грузоподъемник | 10 |
| БелАЗ | 549(75т) | Двигатель | 16 |
| БелАЗ | 7509 | Двигатель | 16 |
| БелАЗ | 75091(75т) | Двигатель | 16 |
| Подшипники ГАЗ | 24 | Мост задний | 2 |
| Подшипники ГАЗ | 24 | Мост задний: полуось | 2 |
| Подшипники ГАЗ | 24-10 | Мост задний | 2 |
| Подшипники ГАЗ | 24-10 | Мост задний: полуось | 2 |
| Подшипники ГАЗ | 24-11 | Мост задний | 2 |
| Подшипники ГАЗ | 24-11 | Мост задний: полуось | 2 |
| Подшипники ГАЗ | 24-12 | Мост задний | 2 |
| Подшипники ГАЗ | 24-13 | Мост задний | 2 |
| Подшипники ГАЗ | 31022 | Мост задний: полуось | 2 |
| Подшипники ГАЗ | 31029 | Мост задний: полуось | 2 |
| ГАЗ | 53Б | Коробка отбора мощности | 1 |
| ГАЗ | 53Б | Коробка отбора мощности | 1 |
| ГАЗ | САЗ 3502 | Коробка отбора мощности | 1 |
| ГАЗ | САЗ 3503 | Коробка отбора мощности | 1 |
| ГАЗ | САЗ 53Б | Коробка отбора мощности | 1 |
| ЕрАЗ | 762В | Мост задний | 2 |
| ЕрАЗ | 762В | Мост задний | 2 |
| ЗИУ | 9 | Двигатель компрессора ДК-408В | 1 |
| Комбайн | Дон-680 | Редуктор конический | 2 |
| Комбайн | Енисей-1200 | Вариатор: ось блока | - |
| Комбайн | Колос | Блок шкивов вариатора ходовой части | - |
| Комбайн | КПИ-2.4 | Жатка для уборки силосных культур: редуктор | - |
| Комбайн | КСК-100А/А1 | Коробка передач с механизмами реверса | - |
| Комбайн | КСКУ-6 | Коробка переключения диапазонов | - |
| Комбайн | Нива | Вариатор: блок шкивов | - |
| КрАЗ | 214Б | Коробка отбора мощности: вал шестерни ведомой, опора задняя | - |
| КрАЗ | 214Б | Коробка отбора мощности: вал шестерни ведомой, опора передняя | - |
| КрАЗ | 214Б | Мост передний: картер привода, опора вала промежуточного | - |
| КрАЗ | 255 | Коробка отбора мощности | 2 |
| КрАЗ | 255 | Мост передний ведущий | 1 |
| КрАЗ | 255 | Мост передний ведущий: привод | 1 |
| КрАЗ | 255Б1 | Коробка отбора мощности | 2 |
| КрАЗ | 255Б1 | Мост передний ведущий | 1 |
| КрАЗ | 255Б1 | Мост передний ведущий: привод | 1 |
| КрАЗ | 255Б1А | Коробка отбора мощности | 2 |
| КрАЗ | 255Б1А | Мост передний ведущий | 1 |
| КрАЗ | 255Б1А | Мост передний ведущий: привод | 1 |
| КрАЗ | 255В1 | Коробка отбора мощности | 2 |
| КрАЗ | 255В1 | Мост передний ведущий | 1 |
| КрАЗ | 255В1 | Мост передний ведущий: привод | 1 |
| КрАЗ | 255Л1 | Коробка отбора мощности | 2 |
| КрАЗ | 255Л1 | Мост передний ведущий | 1 |
| КрАЗ | 255Л1 | Мост передний ведущий: привод | 1 |
| КрАЗ | 256Б1 | Коробка отбора мощности | 2 |
| КрАЗ | 260А | Коробка отбора мощности | 2 |
| КрАЗ | 260Г | Коробка отбора мощности | 2 |
| КрАЗ | 260С | Коробка отбора мощности | 2 |
| МАЗ | 537 | Коробка отбора мощности | 1 |
| МАЗ | 537 | Передача повышающая | 1 |
| МАЗ | 537Г | Коробка отбора мощности | 1 |
| МАЗ | 537Г | Передача повышающая | 1 |
| МАЗ | 538 | Коробка передач гидромеханическая | 3 |
| МАЗ | 543 | Передача повышающая | 1 |
| МАЗ | 547 | Передача повышающая | 2 |
| МАЗ | 7310 | Передача повышающая | 2 |
| МАЗ | 73101 | Передача повышающая | 1 |
| МАЗ | 7410 | Передача повышающая | 1 |
| РАФ | 2203 | Мост задний | 2 |
| РАФ | 2203 | Мост задний | 2 |
| РАФ | 22031 | Мост задний | 2 |
| РАФ | 22031 | Мост задний | 2 |
| РАФ | 22032 | Мост задний | 2 |
| РАФ | 22035 | Мост задний | 2 |
| РАФ | 22035 | Мост задний | 2 |
| РАФ | 22038 | Мост задний | 2 |
| РАФ | 22038 | Мост задний | 2 |
| САЗ | 3502 | Коробка отбора мощности | - |
| САЗ | 3502 | Коробка отбора мощности | - |
| САЗ | 3507 | Коробка отбора мощности | - |
| САЗ | 3507 | Коробка отбора мощности | - |
| Свеклопогрузчик навесной тракторный | СНТ-2.1А | Ходоуменьшитель к трактору | - |
| Станкостроение | Не указано | Не указано | - |
| Трактор | ДТ-20 | Передача главная: вал главный | 1 |
| Трактор | ДТ-20 | Передача главная: вал первичный | 1 |
| Трактор | ДТ-75 | Двигатель: вал редуктора | 1 |
| Трактор | МТЗ-2 | Сцепление: опора задняя муфты | 1 |
| Трактор | МТЗ-2 | Двигатель: привод вентилятора, опора передняя | 1 |
| Трактор | МТЗ-2 | Система тормозная: опоры передняя и задняя | 4 |
| Трактор | МТЗ-5 | Двигатель: привод вентилятора, опора передняя | 1 |
| Трактор | МТЗ-5 | Система тормозная: опоры передняя и задняя | 4 |
| Трактор | МТЗ-5 | Шкив приводной: вал ведущий, опора задняя | 1 |
| Трактор | МТЗ-50Л | Двигатель пусковой ПД-10У: редуктор | 1 |
| Трактор | МТЗ-50ПЛ | Коробка передач: вал ведущий, опора правая | 1 |
| Трактор | МТЗ-50ПЛ | Двигатель: привод вентилятора, опора передняя | 2 |
| Трактор | МТЗ-52Л | Двигатель пусковой ПД-10У: редуктор | 1 |
| Трактор | МТЗ-5К | Двигатель: привод вентилятора, опора передняя | 1 |
| Трактор | МТЗ-5К | Система тормозная: опоры передняя и задняя | 4 |
| Трактор | МТЗ-5К | Шкив приводной: вал ведущий, опора задняя | 1 |
| Трактор | МТЗ-5Л | Коробка передач: вал ведущий, опора правая | 2 |
| Трактор | МТЗ-5Л | Двигатель: привод вентилятора, опора передняя | 1 |
| Трактор | МТЗ-5Л | Коробка передач: вал ведущий, опора передняя | - |
| Трактор | МТЗ-5ЛС | Коробка передач: вал ведущий, опора правая | 2 |
| Трактор | МТЗ-5ЛС | Двигатель: привод вентилятора, опора передняя | 1 |
| Трактор | МТЗ-5ЛС | Коробка передач: вал ведущий, опора передняя | - |
| Трактор | МТЗ-5М | Коробка передач: вал ведущий, опора правая | 1 |
| Трактор | МТЗ-5М | Двигатель: привод вентилятора, опора передняя | 2 |
| Трактор | МТЗ-5М | Коробка передач: вал ведущий, опора передняя | - |
| Трактор | МТЗ-5МС | Коробка передач: вал ведущий, опора правая | 1 |
| Трактор | МТЗ-5МС | Двигатель: привод вентилятора, опора передняя | 2 |
| Трактор | МТЗ-5МС | Коробка передач: вал ведущий, опора передняя | - |
| Трактор | МТЗ-80Л | Двигатель пусковой: редуктор | 1 |
| Трактор | МТЗ-82Л | Двигатель пусковой: редуктор | 1 |
| Трактор | Т-150 | Вал отбора мощности: вал ведущий редуктора | 1 |
| Трактор | Т-150 | Вал отбора мощности: корпус включения | 1 |
| Трактор | Т-150 | Двигатель: вал редуктора двигателя пускового | 1 |
| Трактор | Т-150К | Вал отбора мощности: вал привода | 2 |
| Трактор | Т-150К | Двигатель: вал регулятора двигателя пускового | - |
| Трактор | Т-150К | Двигатель: вал редуктора двигателя пускового | 1 |
| Трактор | Т-150К | Вал отбора мощности: вал ведущий | 1 |
| Трактор | Т-151К с двигателем СМД-62/63 | Вал отбора мощности: вал привода | - |
| Трактор | Т-151К с двигателем СМД-62/63 | Вал отбора мощности: вал ведущий | - |
| Трактор | Т-151К с двигателем СМД-62/63 | Вал отбора мощности: опора промежуточная | - |
| Трактор | Т-151К с двигателем СМД-62А/63А | Вал отбора мощности: вал привода | - |
| Трактор | Т-151К с двигателем СМД-62А/63А | Вал отбора мощности: вал ведущий | - |
| Трактор | Т-151К с двигателем СМД-62А/63А | Вал отбора мощности: опора промежуточная | - |
| Трактор | Т-25 | Передача главная | 2 |
| Трактор | Т-25А | Передача главная: вал главный, вал первичный | - |
| Трактор | Т-40 | Вал отбора мощности задний | 1 |
| Трактор | Т-40А | Вал отбора мощности задний | 1 |
| Трактор | Т-40АМ | Вал отбора мощности независимый синхронный | - |
| Трактор | Т-40АНМ | Вал отбора мощности независимый синхронный | - |
| Трактор | Т-40М | Вал отбора мощности независимый синхронный | - |
| Трактор | Т-74 | Вал отбора мощности | - |
| Трактор | Т-74 | Редуктор | - |
| Трактор | Т-75 | Двигатель: шкив вентилятора, опора передняя | 1 |
| Трактор | Т-75 | Вал отбора мощности: вал приводной редуктора зависимого вала | 1 |
| Трактор | Т-75 | Вал отбора мощности: вал-шестерня редуктора зависимого вала | 2 |
| Трактор | Т-75 с двигателем СМД-14Г | Двигатель: вал редуктора | - |
| Трактор | ХТЗ-120 | Вал отбора мощности: вал ведущий | - |
| Трактор | ХТЗ-120 | Коробка раздаточная: вал привода ВОМ | - |
| Трактор | ХТЗ-121 | Вал отбора мощности: вал ведущий | - |
| Трактор | ХТЗ-121 | Коробка раздаточная: вал привода ВОМ | - |
| Трактор | ХТЗ-16131 (кроме двигателя) | Вал отбора мощности: вал ведущий | - |
| Трактор | ХТЗ-16131 (кроме двигателя) | Коробка раздаточная: вал привода ВОМ | - |
| Трактор | ЮМЗ-6АЛ | Коробка передач | - |
| Трактор | ЮМЗ-6АМ | Коробка передач | - |
| Трактор | ЮМЗ-6КМ | Коробка передач | - |
| Трамвайный вагон | РВ3-6М2 | Двигатель компрессора ДК-408В | 1 |