310 А ГОСТ 520
| Обозначение | 310 А ГОСТ 520 |
|---|---|
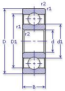
| Внутренний диаметр, d (мм) | 50 |
| Наружный диаметр, D (мм) | 110 |
| Ширина, В (мм) | 27 |
| Масса, m (кг) | 1.08 |
| Грузоподъемность динамическая, C (kN) | 61.8 |
| Грузоподъемность статическая, Co (kN) | 36 |
| Ном. частота вращен. при пластич. смазке, n grease (1/min) | 6300 |
| Марка стали, Материал | ШХ-15 |
| Диаметр шарика, d шарика (мм) | 19.05 |
| Количество шариков, N шариков | 8 |
| Ном. частота вращен. при жидк. смазке, n oil (1/min) | 7500 |
| Диаметр борта наружного кольца, D1(mm) | 91.4 |
| Диаметр борта внутреннего кольца, d1 (mm) | 68.7 |
| Радиус фаски, r1, r2 min (мм) | 2 |
Этот подшипник может быть заменен другими:
Подшипник 50310 — Условие отсутствует
Подшипник 60310 — При условии демонтажа одной защитной шайбы
Подшипник 160310 — При условии демонтажа одной защитной шайбы
Подшипник 150310 — При условии демонтажа одной защитной шайбы (п/ш с канавкой)
Подшипник 80310 — При условии демонтажа 2-х защитных шайб
Подшипник 180310 — При условии демонтажа 2-х защитных шайб
Подшипник 450310 — При условии демонтажа 2-х защитных шайб
| Марка | Модель | Узел | Кол-во на узел |
|---|---|---|---|
| БелАЗ | 549(75т) | Управление рулевое | 1 |
| БелАЗ | 7420-9590 | Управление рулевое | 1 |
| БелАЗ | 7420-9590 | Электродвигатель | 1 |
| БелАЗ | 7509 | Управление рулевое | 1 |
| БелАЗ | 75091(75т) | Управление рулевое | 1 |
| БелАЗ | 7519 | Управление рулевое | 1 |
| БелАЗ | 75191(110т) | Управление рулевое | 1 |
| БелАЗ | 75211(180т) | Генератор-дизель | 2 |
| БелАЗ | 75211(180т) | Управление рулевое | 1 |
| КамАЗ | 5320 | Мост средний | 1 |
| КамАЗ | 5320 | Мост средний: вал ведущий, опора задняя | 1 |
| КамАЗ | 53211 | Мост средний: вал ведущий, опора задняя | 1 |
| КамАЗ | 53212 | Мост средний | 1 |
| КамАЗ | 53212 | Мост средний: вал ведущий, опора задняя | 1 |
| КамАЗ | 53213 | Мост средний | 1 |
| КамАЗ | 53213 | Мост средний: вал ведущий, опора задняя | 1 |
| КамАЗ | 53222 | Мост средний | 1 |
| КамАЗ | 5410 | Мост средний | 1 |
| КамАЗ | 5410 | Мост средний: вал ведущий, опора задняя | 1 |
| КамАЗ | 54112 | Мост средний | 1 |
| КамАЗ | 54112 | Мост средний: вал ведущий, опора задняя | 1 |
| КамАЗ | 54122 | Мост средний | 1 |
| КамАЗ | 55102 | Мост средний | 1 |
| КамАЗ | 55102 | Мост средний: вал ведущий, опора задняя | 1 |
| КамАЗ | 5511 | Мост средний | 1 |
| КамАЗ | 55111 | Мост средний: вал ведущий, опора задняя | 1 |
| Комбайн | Дон-1200 | Сцепление | - |
| Комбайн | Дон-1200 | Опора муфты сцепления моста колес ведущих | 2 |
| Комбайн | КЗС-3 | Двигатель: вал выходной | - |
| Комбайн | КСК-100А/А1 | Коробка передач: валы, шестерни | - |
| Косилка | КПС-5Г | Редуктор бортовой | - |
| МАЗ | 537 | Редуктор 2-го переднего моста | 1 |
| МАЗ | 537Г | Редуктор 2-го переднего моста | 1 |
| МАЗ | 543 | Редуктор 2-го переднего моста | 2 |
| МАЗ | 547 | Редуктор 2-го переднего моста | 2 |
| МАЗ | 7310 | Редуктор 2-го переднего моста | 2 |
| МАЗ | 73101 | Редуктор 2-го переднего моста | 2 |
| МАЗ | 7410 | Редуктор 2-го переднего моста | 2 |
| МоАЗ | 546П-Д357П | Ролики скрепера | 18 |
| МоАЗ | 6401-9585 | Мост ведущий | 6 |
| МоАЗ | 6507 | Мост ведущий | 6 |
| МоАЗ | 6507 | Мост управляемый | 6 |
| МоАЗ | 7405-9586 | Мост ведущий | 6 |
| Трактор | ЛХТ-55 | Лебедка: редуктор привода | - |
| Трактор | МТЗ-100 | Вал отбора мощности задний: водило, опора наружная | - |
| Трактор | МТЗ-102 | Вал отбора мощности задний: водило, опора наружная | - |
| Трактор | МТЗ-2 | Коробка передач: вал промежуточный, опора задняя | 1 |
| Трактор | Т-151К с двигателем СМД-62/63 | Коробка передач: вал хода заднего | - |
| Трактор | Т-151К с двигателем СМД-62/63 | Мост задний: кардан, опора | - |
| Трактор | Т-151К с двигателем СМД-62А/63А | Коробка передач: вал хода заднего | - |
| Трактор | Т-151К с двигателем СМД-62А/63А | Мост задний: кардан, опора | - |
| Трактор | Т-40 | Вал отбора мощности боковой | 1 |
| Трактор | Т-40А | Вал отбора мощности боковой | 1 |
| Трактор | Т-40А | Мост передний ведущий: шестерня ведущая передачи главной | 1 |
| Трактор | Т-74 | Коробка передач | - |
| Трактор | Т-74 | Вал отбора мощности | - |
| Трактор | ТДТ-55 | Лебедка: редуктор привода | - |
| Трактор | ТТ-4М | Коробка раздаточная | - |
| Трактор | ТТ-4М | Гидронасос: привод | - |
| Трактор | ТТ-4М-01 | Коробка раздаточная | - |
| Трактор | ТТ-4М-01 | Гидронасос: привод | - |
| Трактор | ХТЗ-120 | Мост передний | - |
| Трактор | ХТЗ-120 | Коробка передач: вал хода заднего | - |
| Трактор | ХТЗ-120 | Мост передний: редуктор колесный, вал привода | - |
| Трактор | ХТЗ-121 | Мост передний | - |
| Трактор | ХТЗ-121 | Коробка передач: вал хода заднего | - |
| Трактор | ХТЗ-121 | Мост передний: редуктор колесный, вал привода | - |
| Трактор | ХТЗ-16131 (кроме двигателя) | Коробка передач: вал хода заднего | - |
| Трамвайный вагон | Т-2 | Двигатель: генератор | 1 |
| Трамвайный вагон | Т-3 | Двигатель: генератор | 1 |