Подшипники гост
Интернет-магазин
8-800-250-16-58
Обратный звонок

Заказ обратного звонка




Эл. почта:
info@amost.ru
Свои заказы Корзина пуста





Получать прайс-лист на email:

Чтобы отписаться от рассылки, введите e-mail, на который вы получаете наши письма:

 

Поиск подшипников

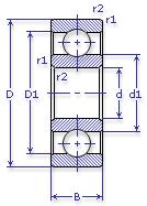
Масса и размеры

Внутренний диаметр d, мм

От  до 

Наружный диаметр D, мм

От  до 

Ширина b, мм

Применяемость

Раздел каталога

Подшипник шариковый радиальный однорядный основного конструктивного исполнения

312 ТУ 37.006.068

Отечественный
Импортный

Производитель



уточнять наличие
Обозначение 312 ТУ 37.006.068
Внутренний диаметр, d (мм) 60
Наружный диаметр, D (мм) 130
Ширина, В (мм) 31
Масса, m (кг) 1.7
Грузоподъемность динамическая, C (kN) 81.9
Грузоподъемность статическая, Co (kN) 48
Ном. частота вращен. при пластич. смазке, n grease (1/min) 5000
Диаметр шарика, d шарика (мм) 22.225
Количество шариков, N шариков 8
Ном. частота вращен. при жидк. смазке, n oil (1/min) 6000
Диаметр борта наружного кольца, D1(mm) 108.6
Диаметр борта внутреннего кольца, d1 (mm) 81.5
Радиус фаски, r1, r2 min (мм) 2.1
312 ТУ 37.006.068

Этот подшипник может быть заменен другими:

Подшипник 50312 — Условие отсутствует

Подшипник 60312 — При условии демонтажа одной защитной шайбы

Подшипник 160312 — При условии демонтажа одной защитной шайбы

Подшипник 150312 — При условии демонтажа одной защитной шайбы (п/ш с канавкой)

Подшипник 80312 — При условии демонтажа 2-х защитных шайб

Подшипник 180312 — При условии демонтажа 2-х защитных шайб

Подшипник 450312 — При условии демонтажа 2-х защитных шайб

Марка Модель Узел Кол-во на узел
БелАЗ 75211(180т) Вентилятор: редуктор привода 2
БелАЗ 75211(180т) Опора промежуточная 2
КамАЗ 4310 Коробка раздаточная 1
КамАЗ 4310 Коробка раздаточная 1
КамАЗ 43105 Коробка раздаточная 1
КамАЗ 43105 Коробка раздаточная 1
КамАЗ 6410 Мост средний 1
Комбайн КСК-100А/А1 Редуктор: валы, шестерни -
Комбайн КСК-100А/А1 Коробка передач с механизмами реверса -
КрАЗ 260Д Редуктор привода полуприцепа 2
МАЗ 5336 Вал карданный промежуточный -
МАЗ 5336 Вал карданный промежуточный 1
МАЗ 537 Гидротрансформатор 1
МАЗ 537 Коробка раздаточная 1
МАЗ 537Г Гидротрансформатор 1
МАЗ 537Г Коробка раздаточная 1
МАЗ 538 Коробка передач гидромеханическая 1
МАЗ 538 Коробка раздаточная 1
МАЗ 543 Гидротрансформатор 1
МАЗ 543 Коробка раздаточная 1
МАЗ 54321 Вал карданный промежуточный 1
МАЗ 54322 Вал карданный промежуточный -
МАЗ 7310 Гидротрансформатор 1
МАЗ 7310 Коробка раздаточная 1
МАЗ 73101 Гидротрансформатор 1
МАЗ 73101 Коробка раздаточная 1
Станкостроение Не указано Не указано -
Станкостроение Не указано Не указано -
Станкостроение Не указано Не указано -
Трактор ДТ-75 Двигатель: муфта сцепления 1
Трактор К-701 Коробка передач 1
Трактор Т-74 Сцепление -
Трактор Т-75 с двигателем СМД-14Г Двигатель: муфта сцепления -
УРАЛ 375Д Лебедка 1
УРАЛ 375ДМ Лебедка 1
УРАЛ 4320 Лебедка 1
УРАЛ 5920 Лебедка 1
Бренд Обозначение
ГПЗ 312
SKF 6312
FAG 6312
NSK 6312
Товар добавлен в корзину
Перейти в корзину ×