Подшипники гост
Интернет-магазин
8-800-250-16-58
Обратный звонок

Заказ обратного звонка




Эл. почта:
info@amost.ru
Свои заказы Корзина пуста





Получать прайс-лист на email:

Чтобы отписаться от рассылки, введите e-mail, на который вы получаете наши письма:

 

Поиск подшипников

Масса и размеры

Внутренний диаметр d, мм

От  до 

Наружный диаметр D, мм

От  до 

Ширина b, мм

Применяемость

Раздел каталога

Подшипник шариковый радиальный однорядный основного конструктивного исполнения

312 А ТУ 37.006.170

Отечественный
Импортный

Производитель



уточнять наличие
Обозначение 312 А ТУ 37.006.170
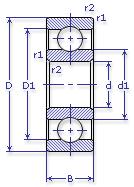
Внутренний диаметр, d (мм) 60
Наружный диаметр, D (мм) 130
Ширина, В (мм) 31
Масса, m (кг) 1.7
Грузоподъемность динамическая, C (kN) 81.9
Грузоподъемность статическая, Co (kN) 48
Ном. частота вращен. при пластич. смазке, n grease (1/min) 5000
Диаметр шарика, d шарика (мм) 22.225
Количество шариков, N шариков 8
Ном. частота вращен. при жидк. смазке, n oil (1/min) 6000
Диаметр борта наружного кольца, D1(mm) 108.6
Диаметр борта внутреннего кольца, d1 (mm) 81.5
Радиус фаски, r1, r2 min (мм) 2.1
312 А ТУ 37.006.170

Этот подшипник может быть заменен другими:

Подшипник 50312 — Условие отсутствует

Подшипник 60312 — При условии демонтажа одной защитной шайбы

Подшипник 160312 — При условии демонтажа одной защитной шайбы

Подшипник 150312 — При условии демонтажа одной защитной шайбы (п/ш с канавкой)

Подшипник 80312 — При условии демонтажа 2-х защитных шайб

Подшипник 180312 — При условии демонтажа 2-х защитных шайб

Подшипник 450312 — При условии демонтажа 2-х защитных шайб

Марка Модель Узел Кол-во на узел
БелАЗ 75211(180т) Вентилятор: редуктор привода 2
БелАЗ 75211(180т) Опора промежуточная 2
КамАЗ 4310 Коробка раздаточная 1
КамАЗ 4310 Коробка раздаточная 1
КамАЗ 43105 Коробка раздаточная 1
КамАЗ 43105 Коробка раздаточная 1
КамАЗ 6410 Мост средний 1
Комбайн КСК-100А/А1 Редуктор: валы, шестерни -
Комбайн КСК-100А/А1 Коробка передач с механизмами реверса -
КрАЗ 260Д Редуктор привода полуприцепа 2
МАЗ 5336 Вал карданный промежуточный -
МАЗ 5336 Вал карданный промежуточный 1
МАЗ 537 Гидротрансформатор 1
МАЗ 537 Коробка раздаточная 1
МАЗ 537Г Гидротрансформатор 1
МАЗ 537Г Коробка раздаточная 1
МАЗ 538 Коробка передач гидромеханическая 1
МАЗ 538 Коробка раздаточная 1
МАЗ 543 Гидротрансформатор 1
МАЗ 543 Коробка раздаточная 1
МАЗ 54321 Вал карданный промежуточный 1
МАЗ 54322 Вал карданный промежуточный -
МАЗ 7310 Гидротрансформатор 1
МАЗ 7310 Коробка раздаточная 1
МАЗ 73101 Гидротрансформатор 1
МАЗ 73101 Коробка раздаточная 1
Станкостроение Не указано Не указано -
Станкостроение Не указано Не указано -
Станкостроение Не указано Не указано -
Трактор ДТ-75 Двигатель: муфта сцепления 1
Трактор К-701 Коробка передач 1
Трактор Т-74 Сцепление -
Трактор Т-75 с двигателем СМД-14Г Двигатель: муфта сцепления -
УРАЛ 375Д Лебедка 1
УРАЛ 375ДМ Лебедка 1
УРАЛ 4320 Лебедка 1
УРАЛ 5920 Лебедка 1
Бренд Обозначение
ГПЗ 312
SKF 6312
FAG 6312
NSK 6312
Товар добавлен в корзину
Перейти в корзину ×