Подшипники гост
Интернет-магазин
8-800-250-16-58
Обратный звонок

Заказ обратного звонка




Эл. почта:
info@amost.ru
Свои заказы Корзина пуста





Получать прайс-лист на email:

Чтобы отписаться от рассылки, введите e-mail, на который вы получаете наши письма:

 

Поиск подшипников

Масса и размеры

Внутренний диаметр d, мм

От  до 

Наружный диаметр D, мм

От  до 

Ширина b, мм

Применяемость

Раздел каталога

Подшипник шариковый радиальный однорядный основного конструктивного исполнения

313 А ТУ ВНИПП.154

Отечественный
Импортный

Производитель



уточнять наличие
Обозначение 313 А ТУ ВНИПП.154
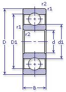
Внутренний диаметр, d (мм) 65
Наружный диаметр, D (мм) 140
Ширина, В (мм) 33
Масса, m (кг) 2.11
Грузоподъемность динамическая, C (kN) 92.3
Грузоподъемность статическая, Co (kN) 56
Ном. частота вращен. при пластич. смазке, n grease (1/min) 4800
Диаметр шарика, d шарика (мм) 23.812
Количество шариков, N шариков 8
Ном. частота вращен. при жидк. смазке, n oil (1/min) 5600
Диаметр борта наружного кольца, D1(mm) 116.8
Диаметр борта внутреннего кольца, d1 (mm) 88.2
Радиус фаски, r1, r2 min (мм) 2.1
313 А ТУ ВНИПП.154

Этот подшипник может быть заменен другими:

Подшипник 50313 — Условие отсутствует

Подшипник 60313 — При условии демонтажа одной защитной шайбы

Подшипник 80313 — При условии демонтажа 2-х защитных шайб

Подшипник 180313 — При условии демонтажа 2-х защитных шайб

Марка Модель Узел Кол-во на узел
МАЗ 538 Коробка передач гидромеханическая 1
Станкостроение Не указано Не указано -
Трактор К-701 Коробка передач 1
Трактор Т-150 Коробка передач: вал вторичный 1
Трактор Т-150 Коробка передач: вал первичный 1
Трактор Т-150К Коробка передач: вал вторичный 1
Трактор Т-150К Коробка передач: вал первичный 1
Трактор Т-150К Мост задний: вал привода 1
Трактор Т-150К Мост передний: вал привода 1
Трактор Т-150К Коробка раздаточная: вал первичный 1
Трактор Т-151К с двигателем СМД-62/63 Коробка передач: вал вторичный -
Трактор Т-151К с двигателем СМД-62/63 Коробка передач: вал первичный -
Трактор Т-151К с двигателем СМД-62/63 Коробка раздаточная: вал первичный -
Трактор Т-151К с двигателем СМД-62/63 Коробка раздаточная: вал привода моста заднего -
Трактор Т-151К с двигателем СМД-62/63 Коробка раздаточная: вал привода моста переднего -
Трактор Т-151К с двигателем СМД-62А/63А Коробка передач: вал вторичный -
Трактор Т-151К с двигателем СМД-62А/63А Коробка передач: вал первичный -
Трактор Т-151К с двигателем СМД-62А/63А Коробка раздаточная: вал первичный -
Трактор Т-151К с двигателем СМД-62А/63А Коробка раздаточная: вал привода моста заднего -
Трактор Т-151К с двигателем СМД-62А/63А Коробка раздаточная: вал привода моста переднего -
Трактор Т-4А Шестерня ведущая -
Трактор Т-4А Реверс: вал промежуточный -
Трактор ТТ-4М Вал отбора мощности: шестерня ведущая -
Трактор ТТ-4М-01 Вал отбора мощности: шестерня ведущая -
Трактор ХТЗ-120 Коробка передач: вал вторичный -
Трактор ХТЗ-120 Коробка передач: вал первичный -
Трактор ХТЗ-120 Коробка раздаточная: вал привода моста заднего -
Трактор ХТЗ-120 Коробка раздаточная: вал привода моста переднего -
Трактор ХТЗ-121 Коробка передач: вал вторичный -
Трактор ХТЗ-121 Коробка передач: вал первичный -
Трактор ХТЗ-121 Коробка раздаточная: вал привода моста заднего -
Трактор ХТЗ-121 Коробка раздаточная: вал привода моста переднего -
Трактор ХТЗ-16131 (кроме двигателя) Коробка передач: вал вторичный -
Трактор ХТЗ-16131 (кроме двигателя) Коробка передач: вал первичный -
Трактор ХТЗ-16131 (кроме двигателя) Коробка раздаточная: вал привода моста заднего -
Трактор ХТЗ-16131 (кроме двигателя) Коробка раздаточная: вал привода моста переднего -
Бренд Обозначение
ГПЗ 313
SKF 6313
FAG 6313
NSK 6313
Товар добавлен в корзину
Перейти в корзину ×