Подшипники гост
Интернет-магазин
8-800-250-16-58
Обратный звонок

Заказ обратного звонка




Эл. почта:
info@amost.ru
Свои заказы Корзина пуста





Получать прайс-лист на email:

Чтобы отписаться от рассылки, введите e-mail, на который вы получаете наши письма:

 

Поиск подшипников

Масса и размеры

Внутренний диаметр d, мм

От  до 

Наружный диаметр D, мм

От  до 

Ширина b, мм

Применяемость

Раздел каталога

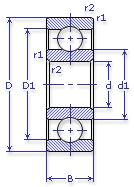
Подшипник шариковый радиальный однорядный основного конструктивного исполнения

315 А ТУ 37.006.170

Отечественный
Импортный

Производитель



уточнять наличие
Обозначение 315 А ТУ 37.006.170
Внутренний диаметр, d (мм) 75
Наружный диаметр, D (мм) 160
Ширина, В (мм) 37
Масса, m (кг) 3.02
Грузоподъемность динамическая, C (kN) 112
Грузоподъемность статическая, Co (kN) 72.5
Ном. частота вращен. при пластич. смазке, n grease (1/min) 4300
Марка стали, Материал ШХ-15
Диаметр шарика, d шарика (мм) 26.988
Количество шариков, N шариков 8
Ном. частота вращен. при жидк. смазке, n oil (1/min) 5000
315 А ТУ 37.006.170

Этот подшипник может быть заменен другими:

Подшипник 50315 — Условие отсутствует

Подшипник 60315 — При условии демонтажа одной защитной шайбы

Подшипник 160315 — При условии демонтажа одной защитной шайбы

Подшипник 150315 — При условии демонтажа одной защитной шайбы (п/ш с канавкой)

Подшипник 80315 — При условии демонтажа 2-х защитных шайб

Подшипник 180315 — При условии демонтажа 2-х защитных шайб

Подшипник 450315 — При условии демонтажа 2-х защитных шайб

Марка Модель Узел Кол-во на узел
Комбайн Дон-1200 Вал приводной -
Комбайн Дон-1200 Корпус вала приводного моста колес ведущих 1
Трактор МТЗ-82 Редуктор бортовой правый и левый 2
Трактор МТЗ-82Л Редуктор бортовой правый и левый 2
Трактор Т 330 Коробка передач с механизмами реверса 2
Трактор Т 330Г Коробка передач с механизмами реверса 2
Трактор Т-40 Передача конечная 2
Трактор Т-40А Передача конечная 2
Трактор Т-40АМ Мост задний: передача конечная -
Трактор Т-40АНМ Мост задний: передача конечная -
Трактор Т-40М Мост задний: передача конечная -
Бренд Обозначение
ГПЗ 315
SKF 6315
FAG 6315
NSK 6315
Товар добавлен в корзину
Перейти в корзину ×