Подшипники гост
Интернет-магазин
8-800-250-16-58
Обратный звонок

Заказ обратного звонка




Эл. почта:
info@amost.ru
Свои заказы Корзина пуста





Получать прайс-лист на email:

Чтобы отписаться от рассылки, введите e-mail, на который вы получаете наши письма:

 

Поиск подшипников

Масса и размеры

Внутренний диаметр d, мм

От  до 

Наружный диаметр D, мм

От  до 

Ширина b, мм

Применяемость

Раздел каталога

Подшипник шариковый радиальный однорядный основного конструктивного исполнения

315 АШ1 ГОСТ 520

Отечественный
Импортный

Производитель



уточнять наличие
Обозначение 315 АШ1 ГОСТ 520
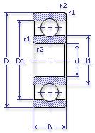
Внутренний диаметр, d (мм) 75
Наружный диаметр, D (мм) 160
Ширина, В (мм) 37
Масса, m (кг) 3.02
Грузоподъемность динамическая, C (kN) 112
Грузоподъемность статическая, Co (kN) 72.5
Ном. частота вращен. при пластич. смазке, n grease (1/min) 4300
Марка стали, Материал ШХ-15
Диаметр шарика, d шарика (мм) 26.988
Количество шариков, N шариков 8
Ном. частота вращен. при жидк. смазке, n oil (1/min) 5000
315 АШ1 ГОСТ 520

Этот подшипник может быть заменен другими:

Подшипник 50315 — Условие отсутствует

Подшипник 60315 — При условии демонтажа одной защитной шайбы

Подшипник 160315 — При условии демонтажа одной защитной шайбы

Подшипник 150315 — При условии демонтажа одной защитной шайбы (п/ш с канавкой)

Подшипник 80315 — При условии демонтажа 2-х защитных шайб

Подшипник 180315 — При условии демонтажа 2-х защитных шайб

Подшипник 450315 — При условии демонтажа 2-х защитных шайб

Марка Модель Узел Кол-во на узел
Комбайн Дон-1200 Вал приводной -
Комбайн Дон-1200 Корпус вала приводного моста колес ведущих 1
Трактор МТЗ-82 Редуктор бортовой правый и левый 2
Трактор МТЗ-82Л Редуктор бортовой правый и левый 2
Трактор Т 330 Коробка передач с механизмами реверса 2
Трактор Т 330Г Коробка передач с механизмами реверса 2
Трактор Т-40 Передача конечная 2
Трактор Т-40А Передача конечная 2
Трактор Т-40АМ Мост задний: передача конечная -
Трактор Т-40АНМ Мост задний: передача конечная -
Трактор Т-40М Мост задний: передача конечная -
Бренд Обозначение
ГПЗ 315
SKF 6315
FAG 6315
NSK 6315
Товар добавлен в корзину
Перейти в корзину ×