316 К5 ГОСТ 520
| Обозначение | 316 К5 ГОСТ 520 |
|---|---|
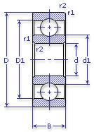
| Внутренний диаметр, d (мм) | 80 |
| Наружный диаметр, D (мм) | 170 |
| Ширина, В (мм) | 39 |
| Масса, m (кг) | 3.6900 |
| Грузоподъемность динамическая, C (kN) | 124 |
| Грузоподъемность статическая, Co (kN) | 80 |
| Ном. частота вращен. при пластич. смазке, n grease (1/min) | 3800 |
| Марка стали, Материал | ШХ-15 |
| Диаметр шарика, d шарика (мм) | 28.575 |
| Количество шариков, N шариков | 8 |
| Ном. частота вращен. при жидк. смазке, n oil (1/min) | 4500 |
Этот подшипник может быть заменен другими:
Подшипник 50316 — Условие отсутствует
Подшипник 60316 — При условии демонтажа одной защитной шайбы
Подшипник 160316 — При условии демонтажа одной защитной шайбы
Подшипник 150316 — При условии демонтажа одной защитной шайбы (п/ш с канавкой)
Подшипник 80316 — При условии демонтажа 2-х защитных шайб
Подшипник 180316 — При условии демонтажа 2-х защитных шайб
Подшипник 450316 — При условии демонтажа 2-х защитных шайб
| Марка | Модель | Узел | Кол-во на узел |
|---|---|---|---|
| БелАЗ | 7548(42т) | Коробка передач | 2 |
| МАЗ | 537 | Коробка раздаточная | 2 |
| МАЗ | 537 | Передача повышающая | 5 |
| МАЗ | 537Г | Коробка раздаточная | 2 |
| МАЗ | 537Г | Передача повышающая | 5 |
| МАЗ | 538 | Коробка передач гидромеханическая | 2 |
| МАЗ | 543 | Коробка раздаточная | 2 |
| МАЗ | 7310 | Коробка раздаточная | 2 |
| МАЗ | 73101 | Коробка раздаточная | 2 |
| МАЗ | 7410 | Коробка раздаточная | 1 |
| МоАЗ | 6401-9585 | Коробка передач гидромеханическая | 1 |
| Трактор | К-701 | Коробка передач | 1 |