Подшипники гост
Интернет-магазин
8-800-250-16-58
Обратный звонок

Заказ обратного звонка




Эл. почта:
info@amost.ru
Свои заказы Корзина пуста





Получать прайс-лист на email:

Чтобы отписаться от рассылки, введите e-mail, на который вы получаете наши письма:

 

Поиск подшипников

Масса и размеры

Внутренний диаметр d, мм

От  до 

Наружный диаметр D, мм

От  до 

Ширина b, мм

Применяемость

Раздел каталога

Подшипник шариковый радиальный однорядный основного конструктивного исполнения

316 К5 ТУ 003

Отечественный
Импортный

Производитель



уточнять наличие
Обозначение 316 К5 ТУ 003
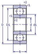
Внутренний диаметр, d (мм) 80
Наружный диаметр, D (мм) 170
Ширина, В (мм) 39
Масса, m (кг) 3.6900
Грузоподъемность динамическая, C (kN) 124
Грузоподъемность статическая, Co (kN) 80
Ном. частота вращен. при пластич. смазке, n grease (1/min) 3800
Марка стали, Материал ШХ-15
Диаметр шарика, d шарика (мм) 28.575
Количество шариков, N шариков 8
Ном. частота вращен. при жидк. смазке, n oil (1/min) 4500
316 К5 ТУ 003

Этот подшипник может быть заменен другими:

Подшипник 50316 — Условие отсутствует

Подшипник 60316 — При условии демонтажа одной защитной шайбы

Подшипник 160316 — При условии демонтажа одной защитной шайбы

Подшипник 150316 — При условии демонтажа одной защитной шайбы (п/ш с канавкой)

Подшипник 80316 — При условии демонтажа 2-х защитных шайб

Подшипник 180316 — При условии демонтажа 2-х защитных шайб

Подшипник 450316 — При условии демонтажа 2-х защитных шайб

Марка Модель Узел Кол-во на узел
БелАЗ 7548(42т) Коробка передач 2
МАЗ 537 Коробка раздаточная 2
МАЗ 537 Передача повышающая 5
МАЗ 537Г Коробка раздаточная 2
МАЗ 537Г Передача повышающая 5
МАЗ 538 Коробка передач гидромеханическая 2
МАЗ 543 Коробка раздаточная 2
МАЗ 7310 Коробка раздаточная 2
МАЗ 73101 Коробка раздаточная 2
МАЗ 7410 Коробка раздаточная 1
МоАЗ 6401-9585 Коробка передач гидромеханическая 1
Трактор К-701 Коробка передач 1
Бренд Обозначение
ГПЗ 316
SKF 6316
FAG 6316
NSK 6316
Товар добавлен в корзину
Перейти в корзину ×