Подшипники гост
Интернет-магазин
8-800-250-16-58
Обратный звонок

Заказ обратного звонка




Эл. почта:
info@amost.ru
Свои заказы Корзина пуста





Получать прайс-лист на email:

Чтобы отписаться от рассылки, введите e-mail, на который вы получаете наши письма:

 

Поиск подшипников

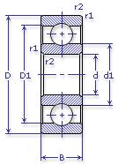
Масса и размеры

Внутренний диаметр d, мм

От  до 

Наружный диаметр D, мм

От  до 

Ширина b, мм

Применяемость

Раздел каталога

Подшипник шариковый радиальный однорядный основного конструктивного исполнения

317 А ТУ 003

Отечественный
Импортный

Производитель



уточнять наличие
Обозначение 317 А ТУ 003
Внутренний диаметр, d (мм) 85
Наружный диаметр, D (мм) 180
Ширина, В (мм) 41
Масса, m (кг) 4.24
Грузоподъемность динамическая, C (kN) 133
Грузоподъемность статическая, Co (kN) 90
Ном. частота вращен. при пластич. смазке, n grease (1/min) 3600
Марка стали, Материал ШХ-15
Диаметр шарика, d шарика (мм) 30.162
Количество шариков, N шариков 8
Ном. частота вращен. при жидк. смазке, n oil (1/min) 4300
317 А ТУ 003

Этот подшипник может быть заменен другими:

Подшипник 50317 — Условие отсутствует

Подшипник 60317 — При условии демонтажа одной защитной шайбы

Подшипник 150317 — При условии демонтажа одной защитной шайбы (п/ш с канавкой)

Подшипник 80317 — При условии демонтажа 2-х защитных шайб

Подшипник 180317 — При условии демонтажа 2-х защитных шайб

Подшипник 450317 — При условии демонтажа 2-х защитных шайб

Марка Модель Узел Кол-во на узел
МоАЗ 6507 Коробка передач гидромеханическая 2
МоАЗ 7405-9586 Коробка передач гидромеханическая 2
Трактор МТЗ-2 Передача конечная: шестерня ведомая, опоры внутренняя и наружная 4
Трактор МТЗ-5 Передача конечная: шестерня ведомая, опоры внутренняя и наружная 4
Трактор МТЗ-5К Передача конечная: шестерня ведомая, опоры внутренняя и наружная 4
Трактор МТЗ-5Л Передача конечная: шестерня ведомая, опоры внутренняя и наружная 4
Трактор МТЗ-5ЛС Передача конечная: шестерня ведомая, опоры внутренняя и наружная 4
Трактор МТЗ-5М Передача конечная: шестерня ведомая, опоры внутренняя и наружная 4
Трактор МТЗ-5МС Передача конечная: шестерня ведомая, опоры внутренняя и наружная 4
Трактор ЮМЗ-6АЛ Передача конечная -
Трактор ЮМЗ-6АМ Передача конечная -
Трактор ЮМЗ-6КМ Передача конечная -
Бренд Обозначение
ГПЗ 317
SKF 6317
FAG 6317
NSK 6317
Товар добавлен в корзину
Перейти в корзину ×