Подшипники гост
Интернет-магазин
8-800-250-16-58
Обратный звонок

Заказ обратного звонка




Эл. почта:
info@amost.ru
Свои заказы Корзина пуста





Получать прайс-лист на email:

Чтобы отписаться от рассылки, введите e-mail, на который вы получаете наши письма:

 

Поиск подшипников

Масса и размеры

Внутренний диаметр d, мм

От  до 

Наружный диаметр D, мм

От  до 

Ширина b, мм

Применяемость

Раздел каталога

Подшипник шариковый радиальный однорядный основного конструктивного исполнения

318 ТУ 37.006.087

Отечественный
Импортный

Производитель



уточнять наличие
Обозначение 318 ТУ 37.006.087
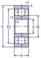
Внутренний диаметр, d (мм) 90
Наружный диаметр, D (мм) 190
Ширина, В (мм) 43
Масса, m (кг) 4.98
Грузоподъемность динамическая, C (kN) 143
Грузоподъемность статическая, Co (kN) 100
Ном. частота вращен. при пластич. смазке, n grease (1/min) 3400
Марка стали, Материал ШХ-15
Диаметр шарика, d шарика (мм) 31.75
Количество шариков, N шариков 8
Ном. частота вращен. при жидк. смазке, n oil (1/min) 4000
Диаметр борта наружного кольца, D1(mm) 159
Диаметр борта внутреннего кольца, d1 (mm) 121
Радиус фаски, r1, r2 min (мм) 3
318 ТУ 37.006.087

Этот подшипник может быть заменен другими:

Подшипник 80318 — При условии демонтажа 2-х защитных шайб

Марка Модель Узел Кол-во на узел
МоАЗ 6507 Коробка передач гидромеханическая 1
Бренд Обозначение
ГПЗ 318
SKF 6318
FAG 6318
NSK 6318
Товар добавлен в корзину
Перейти в корзину ×