Подшипники гост
Интернет-магазин
8-800-250-16-58
Обратный звонок

Заказ обратного звонка




Эл. почта:
info@amost.ru
Свои заказы Корзина пуста





Получать прайс-лист на email:

Чтобы отписаться от рассылки, введите e-mail, на который вы получаете наши письма:

 

Поиск подшипников

Масса и размеры

Внутренний диаметр d, мм

От  до 

Наружный диаметр D, мм

От  до 

Ширина b, мм

Применяемость

Раздел каталога

Подшипник шариковый радиальный однорядный основного конструктивного исполнения

320 АЛШ1 ГОСТ 520

Отечественный
Импортный

Производитель



уточнять наличие
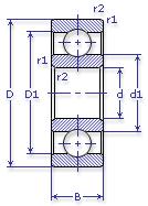
Обозначение 320 АЛШ1 ГОСТ 520
Внутренний диаметр, d (мм) 100
Наружный диаметр, D (мм) 215
Ширина, В (мм) 47
Масса, m (кг) 7
Грузоподъемность динамическая, C (kN) 174
Грузоподъемность статическая, Co (kN) 132
Ном. частота вращен. при пластич. смазке, n grease (1/min) 3000
Марка стали, Материал ШХ-15
Диаметр шарика, d шарика (мм) 36.512
Количество шариков, N шариков 8
Ном. частота вращен. при жидк. смазке, n oil (1/min) 3600
320 АЛШ1 ГОСТ 520

Этот подшипник может быть заменен другими:

Подшипник 60320 — При условии демонтажа одной защитной шайбы

Подшипник 80320 — При условии демонтажа 2-х защитных шайб

Подшипник 180320 — При условии демонтажа 2-х защитных шайб

Марка Модель Узел Кол-во на узел
Станкостроение Не указано Не указано -
Бренд Обозначение
ГПЗ 320
SKF 6320
FAG 6320
NSK 6320
Товар добавлен в корзину
Перейти в корзину ×