Подшипники гост
Интернет-магазин
8-800-250-16-58
Обратный звонок

Заказ обратного звонка




Эл. почта:
info@amost.ru
Свои заказы Корзина пуста





Получать прайс-лист на email:

Чтобы отписаться от рассылки, введите e-mail, на который вы получаете наши письма:

 

Поиск подшипников

Масса и размеры

Внутренний диаметр d, мм

От  до 

Наружный диаметр D, мм

От  до 

Ширина b, мм

Применяемость

Раздел каталога

Подшипник шариковый радиальный однорядный основного конструктивного исполнения

321 Л ГОСТ 520

Отечественный
Импортный

Производитель



уточнять наличие
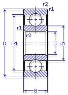
Обозначение 321 Л ГОСТ 520
Внутренний диаметр, d (мм) 105
Наружный диаметр, D (мм) 225
Ширина, В (мм) 49
Масса, m (кг) 10.3
Грузоподъемность динамическая, C (kN) 182
Грузоподъемность статическая, Co (kN) 143
Ном. частота вращен. при пластич. смазке, n grease (1/min) 2800
Марка стали, Материал ШХ-15
Диаметр шарика, d шарика (мм) 38.1
Количество шариков, N шариков 8
Ном. частота вращен. при жидк. смазке, n oil (1/min) 3400
321 Л ГОСТ 520
Марка Модель Узел Кол-во на узел
Станкостроение Не указано Не указано -
Бренд Обозначение
ГПЗ 321
SKF 6321
FAG 6321
NSK 6321
Товар добавлен в корзину
Перейти в корзину ×