Подшипники гост
Интернет-магазин
8-800-250-16-58
Обратный звонок

Заказ обратного звонка




Эл. почта:
info@amost.ru
Свои заказы Корзина пуста





Получать прайс-лист на email:

Чтобы отписаться от рассылки, введите e-mail, на который вы получаете наши письма:

 

Поиск подшипников

Масса и размеры

Внутренний диаметр d, мм

От  до 

Наружный диаметр D, мм

От  до 

Ширина b, мм

Применяемость

Раздел каталога

Подшипник шариковый радиальный однорядный основного конструктивного исполнения

322 А ТУ 003

Отечественный
Импортный

Производитель



уточнять наличие
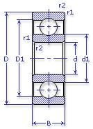
Обозначение 322 А ТУ 003
Внутренний диаметр, d (мм) 110
Наружный диаметр, D (мм) 240
Ширина, В (мм) 50
Масса, m (кг) 9.8
Грузоподъемность динамическая, C (kN) 203
Грузоподъемность статическая, Co (kN) 166
Ном. частота вращен. при пластич. смазке, n grease (1/min) 2600
Марка стали, Материал ШХ-15
Диаметр шарика, d шарика (мм) 41.275
Количество шариков, N шариков 8
Ном. частота вращен. при жидк. смазке, n oil (1/min) 3200
322 А ТУ 003

Этот подшипник может быть заменен другими:

Подшипник 80322 — При условии демонтажа 2-х защитных шайб

Марка Модель Узел Кол-во на узел
Трактор Т 330 Редуктор конический 2
Трактор Т 330Г Редуктор конический 2
Бренд Обозначение
ГПЗ 322
SKF 6322
FAG 6322
NSK 6322
Товар добавлен в корзину
Перейти в корзину ×