Подшипники гост
Интернет-магазин
8-800-250-16-58
Обратный звонок

Заказ обратного звонка




Эл. почта:
info@amost.ru
Свои заказы Корзина пуста





Получать прайс-лист на email:

Чтобы отписаться от рассылки, введите e-mail, на который вы получаете наши письма:

 

Поиск подшипников

Масса и размеры

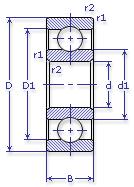
Внутренний диаметр d, мм

От  до 

Наружный диаметр D, мм

От  до 

Ширина b, мм

Применяемость

Раздел каталога

Подшипник шариковый радиальный однорядный основного конструктивного исполнения

330 Л ГОСТ 520

Отечественный
Импортный

Производитель



уточнять наличие
Обозначение 330 Л ГОСТ 520
Внутренний диаметр, d (мм) 150
Наружный диаметр, D (мм) 320
Ширина, В (мм) 65
Масса, m (кг) 26.6
Грузоподъемность динамическая, C (kN) 270
Грузоподъемность статическая, Co (kN) 26000
Ном. частота вращен. при пластич. смазке, n grease (1/min) 1900
Марка стали, Материал ШХ-15
Диаметр шарика, d шарика (мм) 50.8
Количество шариков, N шариков 8
Ном. частота вращен. при жидк. смазке, n oil (1/min) 2400
330 Л ГОСТ 520
Марка Модель Узел Кол-во на узел
Трактор Т 330 Редуктор конический 2
Трактор Т 330Г Редуктор конический 2
Трактор ТТ-4М Мост задний: корона -
Трактор ТТ-4М-01 Мост задний: корона -
Бренд Обозначение
ГПЗ 330
SKF 6330
FAG 6330
NSK 6330
Товар добавлен в корзину
Перейти в корзину ×