Подшипники гост
Интернет-магазин
8-800-250-16-58
Обратный звонок

Заказ обратного звонка




Эл. почта:
info@amost.ru
Свои заказы Корзина пуста





Получать прайс-лист на email:

Чтобы отписаться от рассылки, введите e-mail, на который вы получаете наши письма:

 

Поиск подшипников

Масса и размеры

Внутренний диаметр d, мм

От  до 

Наружный диаметр D, мм

От  до 

Ширина b, мм

Применяемость

Раздел каталога

Подшипник шариковый радиальный однорядный основного конструктивного исполнения

330 ГОСТ 520

Отечественный
Импортный

Производитель



уточнять наличие
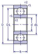
Обозначение 330 ГОСТ 520
Внутренний диаметр, d (мм) 150
Наружный диаметр, D (мм) 320
Ширина, В (мм) 65
Масса, m (кг) 26.6
Грузоподъемность динамическая, C (kN) 270
Грузоподъемность статическая, Co (kN) 26000
Ном. частота вращен. при пластич. смазке, n grease (1/min) 1900
Марка стали, Материал ШХ-15
Диаметр шарика, d шарика (мм) 50.8
Количество шариков, N шариков 8
Ном. частота вращен. при жидк. смазке, n oil (1/min) 2400
330 ГОСТ 520
Марка Модель Узел Кол-во на узел
Трактор Т 330 Редуктор конический 2
Трактор Т 330Г Редуктор конический 2
Трактор ТТ-4М Мост задний: корона -
Трактор ТТ-4М-01 Мост задний: корона -
Бренд Обозначение
ГПЗ 330
SKF 6330
FAG 6330
NSK 6330
Товар добавлен в корзину
Перейти в корзину ×