Подшипники гост
Интернет-магазин
8-800-250-16-58
Обратный звонок

Заказ обратного звонка




Эл. почта:
info@amost.ru
Свои заказы Корзина пуста





Получать прайс-лист на email:

Чтобы отписаться от рассылки, введите e-mail, на который вы получаете наши письма:

 

Поиск подшипников

Масса и размеры

Внутренний диаметр d, мм

От  до 

Наружный диаметр D, мм

От  до 

Ширина b, мм

Применяемость

Раздел каталога

Подшипник шариковый радиальный однорядный основного конструктивного исполнения

340 ГОСТ 520

Отечественный
Импортный

Производитель



уточнять наличие
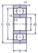
Обозначение 340 ГОСТ 520
Внутренний диаметр, d (мм) 200
Наружный диаметр, D (мм) 420
Ширина, В (мм) 80
Масса, m (кг) 56.5
Грузоподъемность динамическая, C (kN) 377
Грузоподъемность статическая, Co (kN) 400
Ном. частота вращен. при пластич. смазке, n grease (1/min) 1400
Ном. частота вращен. при жидк. смазке, n oil (1/min) 1700
340 ГОСТ 520
Бренд Обозначение
ГПЗ 340
SKF 6340
FAG 6340
NSK 6340
Товар добавлен в корзину
Перейти в корзину ×