Подшипники гост
Интернет-магазин
8-800-250-16-58
Обратный звонок

Заказ обратного звонка




Эл. почта:
info@amost.ru
Свои заказы Корзина пуста





Получать прайс-лист на email:

Чтобы отписаться от рассылки, введите e-mail, на который вы получаете наши письма:

 

Поиск подшипников

Масса и размеры

Внутренний диаметр d, мм

От  до 

Наружный диаметр D, мм

От  до 

Ширина b, мм

Применяемость

Раздел каталога

Подшипник шариковый радиальный однорядный основного конструктивного исполнения

306 АКШ1 ГОСТ 520

Отечественный
Импортный
Цена: 72.00 руб

Производитель



под заказ
Обозначение 306 АКШ1 ГОСТ 520
Цена импортная 58
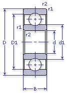
Внутренний диаметр, d (мм) 30
Наружный диаметр, D (мм) 72
Ширина, В (мм) 19
Масса, m (кг) 0.35
Грузоподъемность динамическая, C (kN) 28.1
Грузоподъемность статическая, Co (kN) 14.6
Ном. частота вращен. при пластич. смазке, n grease (1/min) 9000
Диаметр шарика, d шарика (мм) 12.303
Количество шариков, N шариков 8
Ном. частота вращен. при жидк. смазке, n oil (1/min) 11000
Диаметр борта наружного кольца, D1(mm) 59.9
Диаметр борта внутреннего кольца, d1 (mm) 44.6
Радиус фаски, r1, r2 min (мм) 1.1
306 АКШ1 ГОСТ 520

Этот подшипник может быть заменен другими:

Подшипник 50306 — Условие отсутствует

Подшипник 60306 — При условии демонтажа одной защитной шайбы

Подшипник 160306 — При условии демонтажа одной защитной шайбы

Подшипник 150306 — При условии демонтажа одной защитной шайбы (п/ш с канавкой)

Подшипник 80306 — При условии демонтажа 2-х защитных шайб

Подшипник 180306 — При условии демонтажа 2-х защитных шайб

Подшипник 450306 — При условии демонтажа 2-х защитных шайб

Подшипник 750306 — При условии демонтажа 2-х защитных шайб

Марка Модель Узел Кол-во на узел
Пункт картофелесортировальный с переборочными столами КСП-25 Транспортер распределительный ПСШ.02.000-01: ролик верхний -
Пункт картофелесортировальный с переборочными столами КСП-25 Транспортер загрузочный ПСШ.08.000-01: блок шестерен -
Трактор ХТЗ-16131 (кроме двигателя) Коробка раздаточная: вал привода насоса рулевого управления и навески -
Трактор ХТЗ-16131 (кроме двигателя) Коробка раздаточная: вал привода насосов гидросистемы навесного устройства -
Автопогрузчик 4022 Мост передний ведущий 1
Автопогрузчик 4065 Мост передний ведущий 1
БелАЗ 7420-9590 Коробка отбора мощности 2
БелАЗ 7519 Коробка отбора мощности 2
БелАЗ 75191(110т) Коробка отбора мощности 2
БелАЗ 75211(180т) Коробка отбора мощности 2
БелАЗ 7548(42т) Двигатель: система питания 1
БелАЗ 7548(42т) Муфта опережения впрыска 1
Подшипники ГАЗ 3301 Коробка отбора мощности 6
ГАЗ 66 Коробка отбора мощности 4
ГАЗ 66-02 Коробка раздаточная: вал вторичный, вал промежуточный 4
ГАЗ 66-05 Коробка раздаточная: вал вторичный, вал промежуточный 4
ГАЗ 66-11 Коробка отбора мощности 4
ЗИУ 9 Генератор Г-732В 1
ЗИУ 9 Двигатель ДК-661Б 2
ЗИУ 9В(682В) Генератор 2
ЗИУ 9В(682В) Электрооборудование 1
Иж 21251 Коробка передач: вал вторичный 1
Иж 2715-01 Коробка передач: вал вторичный 1
Иж 27151-01 Коробка передач: вал вторичный 1
Иж 27156 Коробка передач: вал вторичный 1
Иж 412 Мост задний: полуось 2
Иж 412 Коробка передач: вал вторичный, опора средняя 1
Иж 412ИЭ Коробка передач: вал вторичный 1
Иж 427 Мост задний: полуось 2
Иж 427 Коробка передач: вал вторичный, опора средняя 1
Иж 434 Мост задний: полуось 2
Иж 434 Коробка передач: вал вторичный, опора средняя 1
КамАЗ 5320 Коробка отбора мощности: ось колеса зубчатого 2
КамАЗ 53211 Коробка отбора мощности: ось колеса зубчатого 2
КамАЗ 53212 Коробка отбора мощности: ось колеса зубчатого 2
КамАЗ 53213 Коробка отбора мощности: ось колеса зубчатого 2
КамАЗ 5410 Коробка отбора мощности: ось колеса зубчатого 2
КамАЗ 54112 Коробка отбора мощности: ось колеса зубчатого 2
КамАЗ 55102 Коробка отбора мощности: ось колеса зубчатого 2
КамАЗ 55111 Коробка отбора мощности: ось колеса зубчатого 2
КЗКТ Э538ДК Двигатель 1
КЗКТ Э538ДК Коробка дополнительная 2
КЗКТ Э538ДП Двигатель 1
КЗКТ Э538ДП Коробка дополнительная 2
Комбайн Дон-1200 Редуктор шнека загрузочного 2
Комбайн Дон-1500 Редуктор шнека загрузочного 2
Комбайн Дон-1500А Редуктор шнека загрузочного 2
Комбайн Енисей-1200 Коробка передач -
Комбайн КЗС-3 Коробка диапазонов: шестерня промежуточная -
Комбайн КЗС-3 Коробка диапазонов: вал промежуточный -
Комбайн Колос Коробка передач -
Комбайн КОП-1.4 Привод ножа -
Комбайн Нива Коробка передач 3
МАЗ 537 Двигатель 1
МАЗ 537Г Двигатель 1
МАЗ 538 Двигатель 1
МАЗ 543 Генератор 1
МАЗ 543 Двигатель 1
МАЗ 547 Генератор 1
МАЗ 547 Двигатель 1
МАЗ 7310 Генератор 1
МАЗ 7310 Двигатель 1
МАЗ 73101 Генератор 1
МАЗ 73101 Двигатель 1
МАЗ 7410 Генератор 1
МАЗ 7410 Двигатель 1
Москвич 2137 Коробка передач: вал вторичный, опора средняя 1
Москвич 2140 Коробка передач: вал вторичный 1
Москвич 2140 Коробка передач: вал вторичный, опора средняя 1
Москвич 2734 Коробка передач: вал вторичный, опора средняя -
Москвич 2737 Коробка передач: вал вторичный, опора средняя 1
Москвич 412 Мост задний: полуось -
Москвич 412ИЭ Коробка передач: вал вторичный -
Москвич 427 Мост задний: полуось -
Москвич 434 Мост задний: полуось -
Мототехника Ява-350 Вал коленчатый: шейка коренная средняя -
Подборщик копнитель ПК-1.6А Рамка дна копнителя -
Пункт картофелесортировальный с переборочными столами КСП-25 Транспортер загрузочный ПСШ.08.000: мотор-барабан -
Станкостроение Не указано Не указано -
Трактор ДТ-20 Передача главная: вал первичный 1
Трактор ДТ-20 Двигатель: вал распределительный 1
Трактор МТЗ-5 Ходоуменьшитель: вал первичный и вторичный, опора передняя 2
Трактор МТЗ-52 Коробка раздаточная 3
Трактор МТЗ-52 Привод карданный: опора промежуточная 2
Трактор МТЗ-52Л Коробка раздаточная 3
Трактор МТЗ-52Л Привод карданный: опора промежуточная 2
Трактор МТЗ-5К Ходоуменьшитель: вал первичный и вторичный, опора передняя 2
Трактор МТЗ-80 Коробка раздаточная 1
Трактор МТЗ-80Л Коробка раздаточная 1
Трактор МТЗ-82 Коробка раздаточная 1
Трактор МТЗ-82Л Коробка раздаточная 1
Трактор Т-012 Ступица задних колес -
Трактор Т-012 Редуктор бортовой: полуось -
Трактор Т-151К с двигателем СМД-62/63 Управление рулевое: вал привода насоса -
Трактор Т-151К с двигателем СМД-62/63 Навеска: вал привода насоса -
Трактор Т-151К с двигателем СМД-62А/63А Насос водяной -
Трактор Т-151К с двигателем СМД-62А/63А Управление рулевое: вал привода насоса -
Трактор Т-151К с двигателем СМД-62А/63А Навеска: вал привода насоса -
Трактор Т-16 Передача главная: корпус 1
Трактор Т-16 Шкив приводной 2
Трактор Т-25 Передача главная 1
Трактор Т-25А Передача главная: вал первичный -
Трактор ХТЗ-120 Двигатель: насос водяной -
Трактор ХТЗ-120 Управление рулевое: вал привода насоса -
Трактор ХТЗ-120 Коробка раздаточная: вал -
Трактор ХТЗ-121 Двигатель: насос водяной -
Трактор ХТЗ-121 Управление рулевое: вал привода насоса -
Трактор ХТЗ-121 Коробка раздаточная: вал -
Трактор ЮМЗ-6АЛ Система охлаждения: привод вентилятора -
Трактор ЮМЗ-6АМ Система охлаждения: привод вентилятора -
Трактор ЮМЗ-6КМ Система охлаждения: привод вентилятора -
Трамвайный вагон КТМ-5М3 Генератор Г-731А 1
Трамвайный вагон КТМ-5М3 Генератор Г-731А 1
Трамвайный вагон КТМ-5М3 Двигатель ДК-661А 2
Трамвайный вагон РВ3-6М2 Электродвигатель ДК-660А 2
УАЗ 2206 Коробка раздаточная 1
УАЗ 31512 Коробка раздаточная 1
УАЗ 31514 Коробка раздаточная 1
УАЗ 3153 Коробка раздаточная 1
УАЗ 3160 Коробка раздаточная: вал привода моста переднего -
УАЗ 31601 Коробка раздаточная: вал привода моста переднего -
УАЗ 31604 Коробка раздаточная: вал привода моста переднего -
УАЗ 31605 Коробка раздаточная: вал привода моста переднего -
УАЗ 3303 Коробка раздаточная 1
УАЗ 33036 Коробка раздаточная 1
УАЗ 3741 Коробка раздаточная 1
УАЗ 3909 Коробка раздаточная 1
УАЗ 39094 Коробка раздаточная -
УАЗ 39095 Коробка раздаточная -
УАЗ 3962 Коробка раздаточная 1
Бренд Обозначение
ГПЗ 306
SKF 6306
FAG 6306
NSK 6306
Товар добавлен в корзину
Перейти в корзину ×