Подшипники гост
Интернет-магазин
8-800-250-16-58
Обратный звонок

Заказ обратного звонка




Эл. почта:
info@amost.ru
Свои заказы Корзина пуста





Получать прайс-лист на email:

Чтобы отписаться от рассылки, введите e-mail, на который вы получаете наши письма:

 

Поиск подшипников

Масса и размеры

Внутренний диаметр d, мм

От  до 

Наружный диаметр D, мм

От  до 

Ширина b, мм

Применяемость

Раздел каталога

Подшипник шариковый радиальный однорядный основного конструктивного исполнения

409 АШ1 ГОСТ 520

Отечественный
Импортный
Цена: 404.00 руб

Производитель



под заказ
Обозначение 409 АШ1 ГОСТ 520
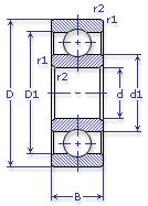
Внутренний диаметр, d (мм) 45
Наружный диаметр, D (мм) 120
Ширина, В (мм) 29
Масса, m (кг) 1.52
Грузоподъемность динамическая, C (kN) 76
Грузоподъемность статическая, Co (kN) 462
Ном. частота вращен. при пластич. смазке, n grease (1/min) 6000
Марка стали, Материал ШХ-15
Диаметр шарика, d шарика (мм) 23.019
Количество шариков, N шариков 7
Ном. частота вращен. при жидк. смазке, n oil (1/min) 7000
409 АШ1 ГОСТ 520

Этот подшипник может быть заменен другими:

Подшипник 50409 — Условие отсутствует

Подшипник 150409 — При условии демонтажа одной защитной шайбы (п/ш с канавкой)

Марка Модель Узел Кол-во на узел
Станкостроение Не указано Не указано -
Трактор МТЗ-100 Корпус КП: опора передняя первичного вала -
Трактор МТЗ-102 Корпус КП: опора передняя первичного вала -
Трактор Т 330 Каток поддерживающий 8
Трактор Т 330Г Каток поддерживающий 8
Трактор Т-150 Вал отбора мощности: вал ведущий редуктора 1
Трактор Т-150К Вал отбора мощности: вал ведущий 1
Трактор Т-40А Мост передний ведущий: шестерня ведомая передачи конечной 2
Трактор Т-40АМ Мост передний ведущий: передача конечная -
Трактор Т-40АНМ Мост передний ведущий: передача конечная -
Бренд Обозначение
ГПЗ 409
SKF 6409
FAG 6409
NSK 6409
Товар добавлен в корзину
Перейти в корзину ×