Подшипники гост
Интернет-магазин
8-800-250-16-58
Обратный звонок

Заказ обратного звонка




Эл. почта:
info@amost.ru
Свои заказы Корзина пуста





Получать прайс-лист на email:

Чтобы отписаться от рассылки, введите e-mail, на который вы получаете наши письма:

 

Поиск подшипников

Масса и размеры

Внутренний диаметр d, мм

От  до 

Наружный диаметр D, мм

От  до 

Ширина b, мм

Применяемость

Раздел каталога

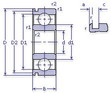
Подшипник шариковый радиальный однорядный с канавкой на наружном кольце

50207 А1Ш1 ГОСТ 520

Отечественный
Импортный
Цена: 119.00 руб

Производитель



под заказ
Обозначение 50207 А1Ш1 ГОСТ 520
Внутренний диаметр, d (мм) 35
Наружный диаметр, D (мм) 72
Ширина, В (мм) 17
Масса, m (кг) 0.289
Грузоподъемность динамическая, C (kN) 25.5
Грузоподъемность статическая, Co (kN) 13.7
Ном. частота вращен. при пластич. смазке, n grease (1/min) 9000
Марка стали, Материал ШХ-15
Диаметр шарика, d шарика (мм) 11.112
Количество шариков, N шариков 9
Ном. частота вращен. при жидк. смазке, n oil (1/min) 11000
Диаметр борта наружного кольца, D1(mm) 60.2
Диаметр борта внутреннего кольца, d1 (mm) 46.9
Радиус фаски, r1, r2 min (мм) 1.1
Толщина борта канавки, a (мм) 3.28
Радиус фаски, r min (мм) 0.5
Ширина канавки, c (мм) 1.9
Диаметр канавки, D2(mm) 68.81
50207 А1Ш1 ГОСТ 520
Марка Модель Узел Кол-во на узел
Автопогрузчик 4008М Тормоз 1
Автопогрузчик 4014 Тормоз 1
Автопогрузчик 4016 Тормоз 1
Автопогрузчик 4017 Тормоз 1
Подшипники ГАЗ 3301 Двигатель 1
Подшипники ГАЗ 3306 Муфта опережения впрыска топлива 1
ГАЗ 3309 Двигатель: привод насоса топливного высокого давления 1
ГАЗ 4301 Двигатель 1
ГАЗ 4301 Двигатель: муфта опережения впрыска топлива 1
ГАЗ 4509 Двигатель: муфта опережения впрыска топлива 1
ГАЗ 66-01 Компрессор: вал коленчатый, опора задняя 1
ГАЗ 66-02 Компрессор: вал коленчатый, опора задняя 1
ГАЗ 66-04 Компрессор: вал коленчатый, опора задняя 1
ГАЗ 66-05 Компрессор: вал коленчатый, опора задняя 1
ГАЗ САЗ 4509 Двигатель 1
КАвЗ 3100 Система тормозная 1
КАЗ 608В Система тормозная 1
ЛиАЗ 677 Система тормозная 1
ЛиАЗ 677Б Система тормозная 1
ЛиАЗ 677В Система тормозная 1
ЛиАЗ 677М Система тормозная 1
ЛиАЗ 677П Система тормозная 1
МАЗ 537 Коробка отбора мощности 1
МАЗ 537Г Коробка отбора мощности 1
САЗ 3502 Компрессор: вал коленчатый, опора задняя 1
САЗ 3507 Компрессор: вал коленчатый, опора задняя 1
Трактор Т-150 Двигатель: вал коленчатый компрессора 1
Трактор Т-150К Двигатель: вал коленчатый компрессора 1
Бренд Обозначение
ГПЗ 50207
SKF 6207N
FAG 6207N
NSK 6207N
Товар добавлен в корзину
Перейти в корзину ×