Подшипники гост
Интернет-магазин
8-800-250-16-58
Обратный звонок

Заказ обратного звонка




Эл. почта:
info@amost.ru
Свои заказы Корзина пуста





Получать прайс-лист на email:

Чтобы отписаться от рассылки, введите e-mail, на который вы получаете наши письма:

 

Поиск подшипников

Масса и размеры

Внутренний диаметр d, мм

От  до 

Наружный диаметр D, мм

От  до 

Ширина b, мм

Применяемость

Раздел каталога

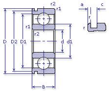
Подшипник шариковый радиальный однорядный с канавкой на наружном кольце

50305 АКШ1 ГОСТ 520

Отечественный
Импортный
Цена: 125.00 руб

Производитель



под заказ
Обозначение 50305 АКШ1 ГОСТ 520
Внутренний диаметр, d (мм) 25
Наружный диаметр, D (мм) 62
Ширина, В (мм) 17
Масса, m (кг) 0.295
Грузоподъемность динамическая, C (kN) 22.5
Грузоподъемность статическая, Co (kN) 11.4
Ном. частота вращен. при пластич. смазке, n grease (1/min) 11000
Марка стали, Материал ШХ-15
Диаметр шарика, d шарика (мм) 11.509
Количество шариков, N шариков 7
Ном. частота вращен. при жидк. смазке, n oil (1/min) 14000
Диаметр борта наружного кольца, D1(mm) 50.4
Диаметр борта внутреннего кольца, d1 (mm) 36.6
Радиус фаски, r1, r2 min (мм) 1.1
Толщина борта канавки, a (мм) 3.28
Радиус фаски, r min (мм) 0.5
Ширина канавки, c (мм) 1.9
Диаметр канавки, D2(mm) 59.61
50305 АКШ1 ГОСТ 520
Марка Модель Узел Кол-во на узел
Подшипники ГАЗ 2108 Коробка передач: вал первичный 2
Подшипники ГАЗ 2109 Коробка передач: вал первичный 2
Подшипники ГАЗ 2110 Коробка передач 2
Подшипники ГАЗ 2110 Коробка передач 2
Подшипники ГАЗ 2111 Коробка передач 2
Подшипники ГАЗ 2111 Коробка передач 2
Подшипники ГАЗ 2112 Коробка передач 2
Подшипники ГАЗ 2112 Коробка передач 2
Подшипники ГАЗ 22171 Коробка передач: вал промежуточный 2
Подшипники ГАЗ 2705 Газель Коробка передач: вал промежуточный 2
Подшипники ГАЗ 27057 Коробка передач: вал промежуточный 2
Подшипники ГАЗ 2752 Соболь Коробка передач: вал промежуточный 2
Подшипники ГАЗ 31022 Коробка передач: вал промежуточный 2
Подшипники ГАЗ 31023 Коробка передач: вал промежуточный 2
Подшипники ГАЗ 31029 Коробка передач: вал промежуточный 2
Подшипники ГАЗ 3110 Коробка передач 2
Подшипники ГАЗ 3221 Газель Коробка передач: вал промежуточный 2
Подшипники ГАЗ 32212 Коробка передач: вал промежуточный 2
Подшипники ГАЗ 32213 Коробка передач: вал промежуточный 2
Подшипники ГАЗ 32217 Коробка передач: вал промежуточный 2
Подшипники ГАЗ 322172 Коробка передач: вал промежуточный 2
Подшипники ГАЗ 322173 Коробка передач: вал промежуточный 2
Подшипники ГАЗ 3302 Газель Коробка передач: вал промежуточный 2
Подшипники ГАЗ 33021 Коробка передач: вал промежуточный 2
Подшипники ГАЗ 33023 Коробка передач: вал промежуточный 2
Подшипники ГАЗ 33027 Коробка передач: вал промежуточный 2
Подшипники ГАЗ 330273 Коробка передач: вал промежуточный 2
ГАЗ Соболь 2217 Коробка передач: вал промежуточный 2
ЗАЗ 965А Коробка передач 1
ЗАЗ 965АР Коробка передач -
ЗАЗ 965Б Коробка передач 1
ЗАЗ 965Р Коробка передач 1
ЗАЗ 966 Коробка передач 2
ЗАЗ 968А Коробка передач 2
ЗАЗ 968Б Коробка передач 2
ЗАЗ 968М Коробка передач 2
ЛуАЗ 1302 Коробка передач: вал ведущий, вал промежуточный -
ЛуАЗ 969 Коробка передач 2
ЛуАЗ 969М Коробка передач 2
ЛуАЗ 969М Коробка передач: вал ведущий, вал промежуточный -
Бренд Обозначение
ГПЗ 50305
SKF 6305N
FAG 6305N
NSK 6305N
Товар добавлен в корзину
Перейти в корзину ×