Подшипники гост
Интернет-магазин
8-800-250-16-58
Обратный звонок

Заказ обратного звонка




Эл. почта:
info@amost.ru
Свои заказы Корзина пуста





Получать прайс-лист на email:

Чтобы отписаться от рассылки, введите e-mail, на который вы получаете наши письма:

 

Поиск подшипников

Масса и размеры

Внутренний диаметр d, мм

От  до 

Наружный диаметр D, мм

От  до 

Ширина b, мм

Применяемость

Раздел каталога

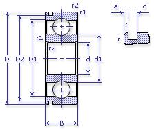
Подшипник шариковый радиальный однорядный с канавкой на наружном кольце

50308 А ТУ 004

Отечественный
Импортный

Производитель



уточнять наличие
Обозначение 50308 А ТУ 004
Внутренний диаметр, d (мм) 40
Наружный диаметр, D (мм) 90
Ширина, В (мм) 23
Масса, m (кг) 0.626
Грузоподъемность динамическая, C (kN) 41
Грузоподъемность статическая, Co (kN) 24
Ном. частота вращен. при пластич. смазке, n grease (1/min) 7500
Марка стали, Материал ШХ-15
Количество шариков, N шариков 8
Ном. частота вращен. при жидк. смазке, n oil (1/min) 9000
50308 А ТУ 004
Марка Модель Узел Кол-во на узел
Автопогрузчик 4022 Мост передний ведущий 2
Автопогрузчик 4065 Мост передний ведущий 2
Подшипники ГАЗ 3301 Коробка раздаточная 1
КрАЗ 214Б Мост передний: вал шестерни промежуточной привода, опора передняя -
КрАЗ 255 Мост передний ведущий 1
КрАЗ 255 Мост передний ведущий: привод 1
КрАЗ 255Б1 Мост передний ведущий 1
КрАЗ 255Б1 Мост передний ведущий: привод 1
КрАЗ 255Б1А Мост передний ведущий 1
КрАЗ 255Б1А Мост передний ведущий: привод 1
КрАЗ 255В1 Мост передний ведущий 1
КрАЗ 255В1 Мост передний ведущий: привод 1
КрАЗ 255Л1 Мост передний ведущий 1
КрАЗ 255Л1 Мост передний ведущий: привод 1
Трактор ДТ-20 Передача главная: вал главный 1
Трактор МТЗ-2 Ходоуменьшитель: вал первичный и вторичный, опора задняя 2
Трактор МТЗ-5 Ходоуменьшитель: вал первичный и вторичный, опора задняя 2
Трактор МТЗ-50 Коробка передач: вал первой передачи и заднего хода, опора передняя 1
Трактор МТЗ-50Л Коробка передач: вал первой передачи и заднего хода, опора передняя 1
Трактор МТЗ-50ПЛ Коробка передач: вал первой передачи и заднего хода, опора передняя 1
Трактор МТЗ-52 Коробка передач: вал первой передачи и заднего хода, опора передняя 1
Трактор МТЗ-52Л Коробка передач: вал первой передачи и заднего хода, опора передняя 1
Трактор МТЗ-5К Ходоуменьшитель: вал первичный и вторичный, опора задняя 2
Трактор МТЗ-80 Коробка передач: вал первой передачи и заднего хода, опора передняя 1
Трактор МТЗ-80Л Коробка передач: вал первой передачи и заднего хода, опора передняя 1
Трактор МТЗ-82 Коробка передач: вал первой передачи и заднего хода, опора передняя 1
Трактор МТЗ-82Л Коробка передач: вал первой передачи и заднего хода, опора передняя 1
Трактор Т-25 Передача главная 1
Трактор Т-25А Передача главная: вал вторичный -
Трактор Т-75 Вал отбора мощности: водило редуктора 1
Бренд Обозначение
ГПЗ 50308
SKF 6308N
FAG 6308N
NSK 6308N
Товар добавлен в корзину
Перейти в корзину ×