Подшипники гост
Интернет-магазин
8-800-250-16-58
Обратный звонок

Заказ обратного звонка




Эл. почта:
info@amost.ru
Свои заказы Корзина пуста





Получать прайс-лист на email:

Чтобы отписаться от рассылки, введите e-mail, на который вы получаете наши письма:

 

Поиск подшипников

Масса и размеры

Внутренний диаметр d, мм

От  до 

Наружный диаметр D, мм

От  до 

Ширина b, мм

Применяемость

Раздел каталога

Подшипник шариковый радиальный однорядный основного конструктивного исполнения

406 АШ1 ГОСТ 520

Отечественный
Импортный
Цена: 427.00 руб

Производитель



под заказ
Обозначение 406 АШ1 ГОСТ 520
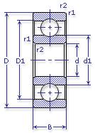
Внутренний диаметр, d (мм) 30
Наружный диаметр, D (мм) 90
Ширина, В (мм) 23
Масса, m (кг) 0.7300
Грузоподъемность динамическая, C (kN) 47
Грузоподъемность статическая, Co (kN) 26.7
Ном. частота вращен. при пластич. смазке, n grease (1/min) 8500
Марка стали, Материал ШХ-15
Диаметр шарика, d шарика (мм) 19.05
Количество шариков, N шариков 6
Ном. частота вращен. при жидк. смазке, n oil (1/min) 10000
406 АШ1 ГОСТ 520

Этот подшипник может быть заменен другими:

Подшипник 50406 — Условие отсутствует

Марка Модель Узел Кол-во на узел
БелАЗ 549(75т) Коробка отбора мощности 4
БелАЗ 7509 Коробка отбора мощности 4
БелАЗ 75091(75т) Коробка отбора мощности 4
КамАЗ 4310 Лебедка 1
КамАЗ 43105 Лебедка 1
Трактор ДТ-20 Вал промежуточный 1
Трактор ДТ-75 Вал отбора мощности: вал ведомый редуктора, опора передняя 1
Трактор ДТ-75МВ Вал отбора мощности: вал ведомый редуктора, опора передняя 1
Трактор Т-150 Коробка передач: вал хода заднего 1
Трактор Т-16 Шкив приводной 1
Трактор Т-25 Передача главная 1
Трактор Т-25А Передача главная: вал промежуточный -
Трактор Т-40 Коробка передач: вал вторичный 1
Трактор Т-40 Коробка передач: вал первичный 1
Трактор Т-40А Коробка передач: вал вторичный 1
Трактор Т-40А Коробка передач: вал первичный 1
Трактор Т-40АМ Коробка передач с дифференциалом -
Трактор Т-40АНМ Коробка передач с дифференциалом -
Трактор Т-40М Коробка передач с дифференциалом -
Трактор Т-74 Коробка передач -
Трактор Т-75 Коробка передач: вал дополнительный 1
Трактор Т-75 с двигателем СМД-14Г Вал отбора мощности: вал ведомый редуктора, опора передняя -
Трактор Т-75МВ с двигателем А-41 Вал отбора мощности: вал ведомый редуктора, опора передняя -
УАЗ 3151 Мост задний 2
УАЗ 31512 Мост задний: передача бортовая, шестерня ведущая 2
УАЗ 31514 Мост задний: передача бортовая, шестерня ведущая 2
УАЗ 469 Мост задний 2
УАЗ 469М Мост задний 2
Бренд Обозначение
ГПЗ 406
SKF 6406
FAG 6406
NSK 6406
Товар добавлен в корзину
Перейти в корзину ×