Подшипники гост
Интернет-магазин
8-800-250-16-58
Обратный звонок

Заказ обратного звонка




Эл. почта:
info@amost.ru
Свои заказы Корзина пуста





Получать прайс-лист на email:

Чтобы отписаться от рассылки, введите e-mail, на который вы получаете наши письма:

 

Поиск подшипников

Масса и размеры

Внутренний диаметр d, мм

От  до 

Наружный диаметр D, мм

От  до 

Ширина b, мм

Применяемость

Раздел каталога

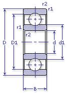
Подшипник шариковый радиальный однорядный основного конструктивного исполнения

408 АШ ГОСТ 520

Отечественный
Импортный

Производитель



уточнять наличие
Обозначение 408 АШ ГОСТ 520
Внутренний диаметр, d (мм) 40
Наружный диаметр, D (мм) 110
Ширина, В (мм) 27
Масса, m (кг) 1.2
Грузоподъемность динамическая, C (kN) 63.7
Грузоподъемность статическая, Co (kN) 36.5
Ном. частота вращен. при пластич. смазке, n grease (1/min) 6700
Марка стали, Материал ШХ-15
Диаметр шарика, d шарика (мм) 22.225
Количество шариков, N шариков 6
Ном. частота вращен. при жидк. смазке, n oil (1/min) 8000
408 АШ ГОСТ 520

Этот подшипник может быть заменен другими:

Подшипник 50408 — Условие отсутствует

Марка Модель Узел Кол-во на узел
Подшипники ГАЗ 3301 Коробка раздаточная 1
Комбайн КСК-100А/А1 Контрпривод главный -
Комбайн КСК-100А/А1 Мост ведущий: коробка передач, валы и шестерни -
Косилка КПС-5Г Коробка передач -
Трактор МТЗ-2 Шкив приводной: вал ведомый, опоры правая и левая 2
Трактор МТЗ-2 Шкив приводной: вал ведущий, опора передняя 1
Трактор МТЗ-5 Шкив приводной: вал ведомый, опоры правая и левая 2
Трактор МТЗ-5 Шкив приводной: вал ведущий, опора передняя 1
Трактор МТЗ-50 Шкив приводной: вал ведомый, опоры правая и левая 2
Трактор МТЗ-50Л Шкив приводной: вал ведомый, опоры правая и левая 2
Трактор МТЗ-50ПЛ Шкив приводной: вал ведомый, опоры правая и левая 2
Трактор МТЗ-52 Шкив приводной: вал ведомый, опоры правая и левая 2
Трактор МТЗ-52Л Шкив приводной: вал ведомый, опоры правая и левая 2
Трактор МТЗ-5К Шкив приводной: вал ведомый, опоры правая и левая 2
Трактор МТЗ-5К Шкив приводной: вал ведущий, опора передняя 1
Трактор МТЗ-5Л Шкив приводной: вал ведомый, опоры правая и левая 2
Трактор МТЗ-5ЛС Шкив приводной: вал ведомый, опоры правая и левая 2
Трактор МТЗ-5М Шкив приводной: вал ведомый, опоры правая и левая 2
Трактор МТЗ-5МС Шкив приводной: вал ведомый, опоры правая и левая 2
Трактор МТЗ-80 Шкив приводной: вал ведомый, опоры правая и левая 2
Трактор МТЗ-80Л Шкив приводной: вал ведомый, опоры правая и левая 2
Трактор МТЗ-82 Шкив приводной: вал ведомый, опоры правая и левая 2
Трактор МТЗ-82Л Шкив приводной: вал ведомый, опоры правая и левая 2
Трактор Т-150К Ходоуменьшитель: вал 1
Трактор Т-151К с двигателем СМД-62/63 Ходоуменьшитель: вал -
Трактор Т-151К с двигателем СМД-62А/63А Ходоуменьшитель: вал -
Трактор Т-40 Шкив приводной 3
Трактор Т-40 Вал отбора мощности: удлинитель 1
Трактор Т-40А Шкив приводной 3
Трактор Т-40А Вал отбора мощности: удлинитель 1
Трактор Т-40АМ Вал отбора мощности задний: удлинитель -
Трактор Т-40АНМ Вал отбора мощности задний: удлинитель -
Трактор Т-40М Вал отбора мощности задний: удлинитель -
Трактор Т-74 Вал отбора мощности -
Трактор Т-75 Вал отбора мощности: вал приводной редуктора зависимого вала 1
Трактор Т-75 Вал отбора мощности: водило редуктора 1
Трактор ХТЗ-120 Ходоуменьшитель: вал -
Трактор ХТЗ-121 Ходоуменьшитель: вал -
Трактор ХТЗ-16131 (кроме двигателя) Ходоуменьшитель: вал -
Бренд Обозначение
ГПЗ 408
SKF 6408
FAG 6408
NSK 6408
Товар добавлен в корзину
Перейти в корзину ×