Подшипники гост
Интернет-магазин
8-800-250-16-58
Обратный звонок

Заказ обратного звонка




Эл. почта:
info@amost.ru
Свои заказы Корзина пуста





Получать прайс-лист на email:

Чтобы отписаться от рассылки, введите e-mail, на который вы получаете наши письма:

 

Поиск подшипников

Масса и размеры

Внутренний диаметр d, мм

От  до 

Наружный диаметр D, мм

От  до 

Ширина b, мм

Применяемость

Раздел каталога

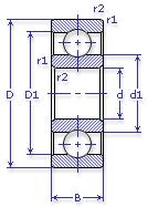
Подшипник шариковый радиальный однорядный основного конструктивного исполнения

410 А ГОСТ 520

Отечественный
Импортный

Производитель



уточнять наличие
Обозначение 410 А ГОСТ 520
Внутренний диаметр, d (мм) 50
Наружный диаметр, D (мм) 130
Ширина, В (мм) 31
Масса, m (кг) 1.91
Грузоподъемность динамическая, C (kN) 87
Грузоподъемность статическая, Co (kN) 52
Ном. частота вращен. при пластич. смазке, n grease (1/min) 5300
Марка стали, Материал ШХ-15
Диаметр шарика, d шарика (мм) 24.606
Количество шариков, N шариков 7
Ном. частота вращен. при жидк. смазке, n oil (1/min) 6300
410 А ГОСТ 520

Этот подшипник может быть заменен другими:

Подшипник 50410 — Условие отсутствует

Марка Модель Узел Кол-во на узел
КЗКТ Э538ДК Коробка передач гидромеханическая 1
КЗКТ Э538ДП Коробка передач гидромеханическая 1
Комбайн Дон-680 Редуктор ускорителя 1
МАЗ 538 Коробка дополнительная 1
МАЗ 538 Коробка передач гидромеханическая 1
Трамвайный вагон КТМ-5М3 Двигатель ДК-259Г3 4
Трамвайный вагон РВ3-6М2 Пара колесная 8
Трамвайный вагон РВ3-6М2 Электродвигатель ДК-250Г 4
Бренд Обозначение
ГПЗ 410
SKF 6410
FAG 6410
NSK 6410
Товар добавлен в корзину
Перейти в корзину ×