Подшипники гост
Интернет-магазин
8-800-250-16-58
Обратный звонок

Заказ обратного звонка




Эл. почта:
info@amost.ru
Свои заказы Корзина пуста





Получать прайс-лист на email:

Чтобы отписаться от рассылки, введите e-mail, на который вы получаете наши письма:

 

Поиск подшипников

Масса и размеры

Внутренний диаметр d, мм

От  до 

Наружный диаметр D, мм

От  до 

Ширина b, мм

Применяемость

Раздел каталога

Подшипник шариковый радиальный однорядный основного конструктивного исполнения

411 А ГОСТ 520

Отечественный
Импортный

Производитель



уточнять наличие
Обозначение 411 А ГОСТ 520
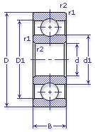
Внутренний диаметр, d (мм) 55
Наружный диаметр, D (мм) 140
Ширина, В (мм) 33
Масса, m (кг) 2.3
Грузоподъемность динамическая, C (kN) 100
Грузоподъемность статическая, Co (kN) 63
Ном. частота вращен. при пластич. смазке, n grease (1/min) 5000
Марка стали, Материал ШХ-15
Диаметр шарика, d шарика (мм) 26.988
Количество шариков, N шариков 7
Ном. частота вращен. при жидк. смазке, n oil (1/min) 6000
411 А ГОСТ 520

Этот подшипник может быть заменен другими:

Подшипник 50411 — Условие отсутствует

Марка Модель Узел Кол-во на узел
Автопогрузчик 4008М Коробка передач 2
ЗИУ 683Б Тормоз 2
ЗИУ 9 Компрессор ЭК-4В 2
ЗИУ 9В(682В) Тормоз 2
КАвЗ 3100 Коробка передач гидромеханическая 1
КЗКТ Э538ДК Коробка передач гидромеханическая 1
КЗКТ Э538ДП Коробка передач гидромеханическая 1
Комбайн Енисей-1200 Опора шкива ведомого -
Комбайн КСК-100А/А1 Коробка передач с механизмами реверса -
Комбайн Нива Опора блока ведомого 1
ЛиАЗ 5256 Коробка передач гидромеханическая 1
ЛиАЗ 677 Коробка передач гидромеханическая 1
ЛиАЗ 677Б Коробка передач гидромеханическая 1
ЛиАЗ 677В Коробка передач гидромеханическая 1
ЛиАЗ 677М Коробка передач гидромеханическая 1
ЛиАЗ 677П Коробка передач гидромеханическая 1
МАЗ 538 Коробка передач гидромеханическая 1
МАЗ 543 Передача повышающая 2
МАЗ 547 Передача повышающая 3
МАЗ 7310 Передача повышающая 1
МАЗ 73101 Передача повышающая 2
МАЗ 7410 Передача повышающая 1
МоАЗ 6401-9585 Коробка отбора мощности 1
Трактор ЛХТ-55 Передача главная -
Трактор МТЗ-2 Дифференциал: опоры правая и левая оси 2
Трактор МТЗ-5 Дифференциал: опоры правая и левая оси 2
Трактор МТЗ-5К Дифференциал: опоры правая и левая оси 2
Трактор МТЗ-5Л Дифференциал: опоры правая и левая оси 2
Трактор МТЗ-5ЛС Дифференциал: опоры правая и левая оси 2
Трактор МТЗ-5М Дифференциал: опоры правая и левая оси 2
Трактор МТЗ-5МС Дифференциал: опоры правая и левая оси 2
Трактор Т-4А Вал вторичный -
Трактор ТДТ-55 Передача главная -
Трактор ТТ-4М Коробка передач: вал вторичный -
Трактор ТТ-4М Блок устройства погрузочного -
Трактор ТТ-4М-01 Коробка передач: вал вторичный -
Трактор ТТ-4М-01 Блок устройства погрузочного -
Трактор ХТЗ-120 Коробка раздаточная: вал передний -
Трактор ХТЗ-121 Коробка раздаточная: вал передний -
Трактор ХТЗ-16131 (кроме двигателя) Коробка раздаточная: вал первичный -
Трактор ЮМЗ-6АЛ Дифференциал -
Трактор ЮМЗ-6АМ Дифференциал -
Трактор ЮМЗ-6КМ Дифференциал -
Трамвайный вагон РВ3-6М2 Вал коленчатый 2
Бренд Обозначение
ГПЗ 411
SKF 6411
FAG 6411
NSK 6411
Товар добавлен в корзину
Перейти в корзину ×