Подшипники гост
Интернет-магазин
8-800-250-16-58
Обратный звонок

Заказ обратного звонка




Эл. почта:
info@amost.ru
Свои заказы Корзина пуста





Получать прайс-лист на email:

Чтобы отписаться от рассылки, введите e-mail, на который вы получаете наши письма:

 

Поиск подшипников

Масса и размеры

Внутренний диаметр d, мм

От  до 

Наружный диаметр D, мм

От  до 

Ширина b, мм

Применяемость

Раздел каталога

Подшипник шариковый радиальный однорядный основного конструктивного исполнения

413 ТУ 37.006.154

Отечественный
Импортный

Производитель



уточнять наличие
Обозначение 413 ТУ 37.006.154
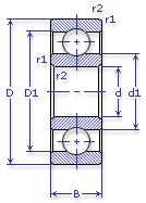
Внутренний диаметр, d (мм) 65
Наружный диаметр, D (мм) 160
Ширина, В (мм) 37
Масса, m (кг) 3.4
Грузоподъемность динамическая, C (kN) 119
Грузоподъемность статическая, Co (kN) 78
Ном. частота вращен. при пластич. смазке, n grease (1/min) 4500
Марка стали, Материал ШХ-15
Диаметр шарика, d шарика (мм) 30.162
Количество шариков, N шариков 7
Ном. частота вращен. при жидк. смазке, n oil (1/min) 5300
Диаметр борта наружного кольца, D1(mm) 133.9
Диаметр борта внутреннего кольца, d1 (mm) 91.1
Радиус фаски, r1, r2 min (мм) 2.1
413 ТУ 37.006.154

Этот подшипник может быть заменен другими:

Подшипник 50413 — Условие отсутствует

Марка Модель Узел Кол-во на узел
ЗИУ 9 Двигатель ДК-210А3 1
ЗИУ 9В(682В) Двигатель: тяговый 1
КЗКТ Э538ДК Коробка дополнительная 3
КЗКТ Э538ДК Коробка раздаточная 1
Комбайн КСК-100А/А1 Привод на рабочие органы -
МАЗ 5434 Коробка раздаточная 2
Трактор ДТ-75 Передача конечная: вал колеса ведущего 2
Трактор ДТ-75МВ Передача конечная: вал колеса ведущего 2
Трактор Т-75 с двигателем СМД-14Г Передача конечная: вал колеса ведущего -
Трактор Т-75МВ с двигателем А-41 Передача конечная: вал колеса ведущего -
Бренд Обозначение
ГПЗ 413
SKF 6413
FAG 6413
NSK 6413
Товар добавлен в корзину
Перейти в корзину ×