Подшипники гост
Интернет-магазин
8-800-250-16-58
Обратный звонок

Заказ обратного звонка




Эл. почта:
info@amost.ru
Свои заказы Корзина пуста





Получать прайс-лист на email:

Чтобы отписаться от рассылки, введите e-mail, на который вы получаете наши письма:

 

Поиск подшипников

Масса и размеры

Внутренний диаметр d, мм

От  до 

Наружный диаметр D, мм

От  до 

Ширина b, мм

Применяемость

Раздел каталога

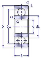
Подшипник шариковый радиальный однорядный основного конструктивного исполнения

414 А ТУ 37.006.087

Отечественный
Импортный

Производитель



уточнять наличие
Обозначение 414 А ТУ 37.006.087
Внутренний диаметр, d (мм) 70
Наружный диаметр, D (мм) 180
Ширина, В (мм) 42
Масса, m (кг) 4.72
Грузоподъемность динамическая, C (kN) 143
Грузоподъемность статическая, Co (kN) 105
Ном. частота вращен. при пластич. смазке, n grease (1/min) 3800
Марка стали, Материал ШХ-15
Диаметр шарика, d шарика (мм) 33.338
Количество шариков, N шариков 7
Ном. частота вращен. при жидк. смазке, n oil (1/min) 4500
414 А ТУ 37.006.087

Этот подшипник может быть заменен другими:

Подшипник 50414 — Условие отсутствует

Марка Модель Узел Кол-во на узел
МАЗ 543 Передача повышающая 1
МАЗ 6303 Мост средний 1
МАЗ 6303 Мост средний 1
МАЗ 6422 Мост средний 1
МАЗ 6422 Мост средний 1
МАЗ 64221 Мост средний 1
МАЗ 64221 Мост средний 1
МАЗ 64224 Мост средний 1
МАЗ 64227 Мост средний 1
МАЗ 64227 Мост средний 1
МАЗ 64229 Мост средний 1
МАЗ 64255 Мост средний -
МАЗ 642554 Мост средний 1
МАЗ 64261 Мост средний -
МАЗ 7310 Передача повышающая 1
МАЗ 73101 Передача повышающая 1
Бренд Обозначение
ГПЗ 414
SKF 6414
FAG 6414
NSK 6414
Товар добавлен в корзину
Перейти в корзину ×