Подшипники гост
Интернет-магазин
8-800-250-16-58
Обратный звонок

Заказ обратного звонка




Эл. почта:
info@amost.ru
Свои заказы Корзина пуста





Получать прайс-лист на email:

Чтобы отписаться от рассылки, введите e-mail, на который вы получаете наши письма:

 

Поиск подшипников

Масса и размеры

Внутренний диаметр d, мм

От  до 

Наружный диаметр D, мм

От  до 

Ширина b, мм

Применяемость

Раздел каталога

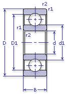
Подшипник шариковый радиальный однорядный основного конструктивного исполнения

415 А ТУ 37.006.170

Отечественный
Импортный

Производитель



уточнять наличие
Обозначение 415 А ТУ 37.006.170
Внутренний диаметр, d (мм) 75
Наружный диаметр, D (мм) 190
Ширина, В (мм) 45
Масса, m (кг) 5.9
Грузоподъемность динамическая, C (kN) 152
Грузоподъемность статическая, Co (kN) 115
Ном. частота вращен. при пластич. смазке, n grease (1/min) 3600
Марка стали, Материал ШХ-15
Ном. частота вращен. при жидк. смазке, n oil (1/min) 4200
415 А ТУ 37.006.170

Этот подшипник может быть заменен другими:

Подшипник 50415 — Условие отсутствует

Бренд Обозначение
ГПЗ 415
SKF 6415
FAG 6415
NSK 6415
Товар добавлен в корзину
Перейти в корзину ×