Подшипники гост
Интернет-магазин
8-800-250-16-58
Обратный звонок

Заказ обратного звонка




Эл. почта:
info@amost.ru
Свои заказы Корзина пуста





Получать прайс-лист на email:

Чтобы отписаться от рассылки, введите e-mail, на который вы получаете наши письма:

 

Поиск подшипников

Масса и размеры

Внутренний диаметр d, мм

От  до 

Наружный диаметр D, мм

От  до 

Ширина b, мм

Применяемость

Раздел каталога

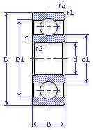
Подшипник шариковый радиальный однорядный основного конструктивного исполнения

416 А ТУ 37.006.068

Отечественный
Импортный

Производитель



уточнять наличие
Обозначение 416 А ТУ 37.006.068
Внутренний диаметр, d (мм) 80
Наружный диаметр, D (мм) 200
Ширина, В (мм) 48
Масса, m (кг) 6.63
Грузоподъемность динамическая, C (kN) 163
Грузоподъемность статическая, Co (kN) 125
Ном. частота вращен. при пластич. смазке, n grease (1/min) 3400
Марка стали, Материал ШХ-15
Диаметр шарика, d шарика (мм) 38.1
Количество шариков, N шариков 7
Ном. частота вращен. при жидк. смазке, n oil (1/min) 4000
416 А ТУ 37.006.068

Этот подшипник может быть заменен другими:

Подшипник 50416 — Условие отсутствует

Подшипник 80416 — При условии демонтажа 2-х защитных шайб

Марка Модель Узел Кол-во на узел
МАЗ 7410 Коробка раздаточная 1
Трактор Т 330 Коробка передач с механизмами реверса 1
Трактор Т 330Г Коробка передач с механизмами реверса 1
Бренд Обозначение
ГПЗ 416
SKF 6416
FAG 6416
NSK 6416
Товар добавлен в корзину
Перейти в корзину ×