Подшипники гост
Интернет-магазин
8-800-250-16-58
Обратный звонок

Заказ обратного звонка




Эл. почта:
info@amost.ru
Свои заказы Корзина пуста





Получать прайс-лист на email:

Чтобы отписаться от рассылки, введите e-mail, на который вы получаете наши письма:

 

Поиск подшипников

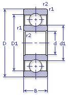
Масса и размеры

Внутренний диаметр d, мм

От  до 

Наружный диаметр D, мм

От  до 

Ширина b, мм

Применяемость

Раздел каталога

Подшипник шариковый радиальный однорядный основного конструктивного исполнения

416 ТУ 37.006.068

Отечественный
Импортный

Производитель



уточнять наличие
Обозначение 416 ТУ 37.006.068
Внутренний диаметр, d (мм) 80
Наружный диаметр, D (мм) 200
Ширина, В (мм) 48
Масса, m (кг) 6.63
Грузоподъемность динамическая, C (kN) 163
Грузоподъемность статическая, Co (kN) 125
Ном. частота вращен. при пластич. смазке, n grease (1/min) 3400
Марка стали, Материал ШХ-15
Диаметр шарика, d шарика (мм) 38.1
Количество шариков, N шариков 7
Ном. частота вращен. при жидк. смазке, n oil (1/min) 4000
416 ТУ 37.006.068

Этот подшипник может быть заменен другими:

Подшипник 50416 — Условие отсутствует

Подшипник 80416 — При условии демонтажа 2-х защитных шайб

Марка Модель Узел Кол-во на узел
МАЗ 7410 Коробка раздаточная 1
Трактор Т 330 Коробка передач с механизмами реверса 1
Трактор Т 330Г Коробка передач с механизмами реверса 1
Бренд Обозначение
ГПЗ 416
SKF 6416
FAG 6416
NSK 6416
Товар добавлен в корзину
Перейти в корзину ×