Подшипники гост
Интернет-магазин
8-800-250-16-58
Обратный звонок

Заказ обратного звонка




Эл. почта:
info@amost.ru
Свои заказы Корзина пуста





Получать прайс-лист на email:

Чтобы отписаться от рассылки, введите e-mail, на который вы получаете наши письма:

 

Поиск подшипников

Масса и размеры

Внутренний диаметр d, мм

От  до 

Наружный диаметр D, мм

От  до 

Ширина b, мм

Применяемость

Раздел каталога

Подшипник шариковый радиальный однорядный

7000104 АШ1 ГОСТ 520

Отечественный
Импортный
Цена: 34.00 руб

Производитель



под заказ
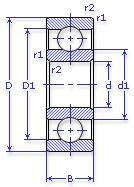
Обозначение 7000104 АШ1 ГОСТ 520
Внутренний диаметр, d (мм) 20
Наружный диаметр, D (мм) 42
Ширина, В (мм) 8
Масса, m (кг) 0.0513
Грузоподъемность динамическая, C (kN) 7
Грузоподъемность статическая, Co (kN) 3.4
Ном. частота вращен. при пластич. смазке, n grease (1/min) 17000
Марка стали, Материал ШХ-15
Диаметр шарика, d шарика (мм) 5.556
Количество шариков, N шариков 10
Ном. частота вращен. при жидк. смазке, n oil (1/min) 2000
7000104 АШ1 ГОСТ 520
Марка Модель Узел Кол-во на узел
Мототехника Мокик ИЖ2.673 Коробка передач: вал вторичный -
Бренд Обозначение
ГПЗ 7000104
SKF 16004
FAG 16004
NSK 16004
Товар добавлен в корзину
Перейти в корзину ×