Подшипники гост
Интернет-магазин
8-800-250-16-58
Обратный звонок

Заказ обратного звонка




Эл. почта:
info@amost.ru
Свои заказы Корзина пуста





Получать прайс-лист на email:

Чтобы отписаться от рассылки, введите e-mail, на который вы получаете наши письма:

 

Поиск подшипников

Масса и размеры

Внутренний диаметр d, мм

От  до 

Наружный диаметр D, мм

От  до 

Ширина b, мм

Применяемость

Раздел каталога

Подшипник шариковый радиальный однорядный

7000114 АШ1 ГОСТ 520

Отечественный
Импортный

Производитель



уточнять наличие
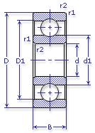
Обозначение 7000114 АШ1 ГОСТ 520
Внутренний диаметр, d (мм) 70
Наружный диаметр, D (мм) 110
Ширина, В (мм) 13
Масса, m (кг) 0.5100
Грузоподъемность динамическая, C (kN) 22.2
Грузоподъемность статическая, Co (kN) 15.3
Ном. частота вращен. при пластич. смазке, n grease (1/min) 6000
Марка стали, Материал ШХ-15
Диаметр шарика, d шарика (мм) 7.938
Количество шариков, N шариков 18
Ном. частота вращен. при жидк. смазке, n oil (1/min) 7000
7000114 АШ1 ГОСТ 520
Марка Модель Узел Кол-во на узел
Трактор ДТ-75 Вал отбора мощности: шестерня ведомая 1
Трактор ДТ-75МВ Вал отбора мощности: шестерня ведомая 1
Трактор Т-75 с двигателем СМД-14Г Вал отбора мощности: шестерня ведомая -
Трактор Т-75МВ с двигателем А-41 Вал отбора мощности: шестерня ведомая -
Бренд Обозначение
ГПЗ 7000114
SKF 16014
FAG 16014
NSK 16014
Товар добавлен в корзину
Перейти в корзину ×