Подшипники гост
Интернет-магазин
8-800-250-16-58
Обратный звонок

Заказ обратного звонка




Эл. почта:
info@amost.ru
Свои заказы Корзина пуста





Получать прайс-лист на email:

Чтобы отписаться от рассылки, введите e-mail, на который вы получаете наши письма:

 

Поиск подшипников

Масса и размеры

Внутренний диаметр d, мм

От  до 

Наружный диаметр D, мм

От  до 

Ширина b, мм

Применяемость

Раздел каталога

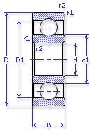
Подшипник шариковый радиальный однорядный

7000115 АШ1 ГОСТ 520

Отечественный
Импортный

Производитель



уточнять наличие
Обозначение 7000115 АШ1 ГОСТ 520
Внутренний диаметр, d (мм) 75
Наружный диаметр, D (мм) 115
Ширина, В (мм) 13
Масса, m (кг) 0.457
Грузоподъемность динамическая, C (kN) 28.5
Грузоподъемность статическая, Co (kN) 27
Ном. частота вращен. при пластич. смазке, n grease (1/min) 5600
Марка стали, Материал ШХ-15
Ном. частота вращен. при жидк. смазке, n oil (1/min) 6700
7000115 АШ1 ГОСТ 520
Бренд Обозначение
ГПЗ 7000115
SKF 16015
FAG 16015
NSK 16015
Товар добавлен в корзину
Перейти в корзину ×