Подшипники гост
Интернет-магазин
8-800-250-16-58
Обратный звонок

Заказ обратного звонка




Эл. почта:
info@amost.ru
Свои заказы Корзина пуста





Получать прайс-лист на email:

Чтобы отписаться от рассылки, введите e-mail, на который вы получаете наши письма:

 

Поиск подшипников

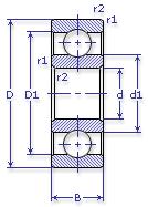
Масса и размеры

Внутренний диаметр d, мм

От  до 

Наружный диаметр D, мм

От  до 

Ширина b, мм

Применяемость

Раздел каталога

Подшипник шариковый радиальный однорядный основного конструктивного исполнения

437 ГОСТ 520

Отечественный
Импортный

Производитель



уточнять наличие
Обозначение 437 ГОСТ 520
Внутренний диаметр, d (мм) 185
Марка стали, Материал ШХ-15
437 ГОСТ 520
Бренд Обозначение
ГПЗ 437
SKF 6437
FAG 6437
NSK 6437
Товар добавлен в корзину
Перейти в корзину ×