Подшипники гост
Интернет-магазин
8-800-250-16-58
Обратный звонок

Заказ обратного звонка




Эл. почта:
info@amost.ru
Свои заказы Корзина пуста





Получать прайс-лист на email:

Чтобы отписаться от рассылки, введите e-mail, на который вы получаете наши письма:

 

Поиск подшипников

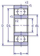
Масса и размеры

Внутренний диаметр d, мм

От  до 

Наружный диаметр D, мм

От  до 

Ширина b, мм

Применяемость

Раздел каталога

Подшипник шариковый радиальный однорядный основного конструктивного исполнения

441 ГОСТ 520

Отечественный
Импортный

Производитель



уточнять наличие
Обозначение 441 ГОСТ 520
Внутренний диаметр, d (мм) 205
Марка стали, Материал ШХ-15
441 ГОСТ 520
Бренд Обозначение
ГПЗ 441
SKF 6441
FAG 6441
NSK 6441
Товар добавлен в корзину
Перейти в корзину ×