Подшипники гост
Интернет-магазин
8-800-250-16-58
Обратный звонок

Заказ обратного звонка




Эл. почта:
info@amost.ru
Свои заказы Корзина пуста





Получать прайс-лист на email:

Чтобы отписаться от рассылки, введите e-mail, на который вы получаете наши письма:

 

Поиск подшипников

Масса и размеры

Внутренний диаметр d, мм

От  до 

Наружный диаметр D, мм

От  до 

Ширина b, мм

Применяемость

Раздел каталога

Подшипник шариковый радиальный однорядный основного конструктивного исполнения

112 ТУ 003

Отечественный
Импортный
Цена: 205.00 руб

Производитель



под заказ
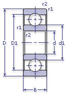
Обозначение 112 ТУ 003
Внутренний диаметр, d (мм) 60
Наружный диаметр, D (мм) 95
Ширина, В (мм) 18
Масса, m (кг) 0.4
Грузоподъемность динамическая, C (kN) 29.6
Грузоподъемность статическая, Co (kN) 18.3
Ном. частота вращен. при пластич. смазке, n grease (1/min) 6700
Диаметр шарика, d шарика (мм) 11.112
Количество шариков, N шариков 12
Ном. частота вращен. при жидк. смазке, n oil (1/min) 8000
Диаметр борта наружного кольца, D1(mm) 84.2
Диаметр борта внутреннего кольца, d1 (mm) 70.8
Радиус фаски, r1, r2 min (мм) 1.1
112 ТУ 003

Этот подшипник может быть заменен другими:

Подшипник 50112 — Условие отсутствует

Подшипник 60112 — При условии демонтажа одной защитной шайбы

Подшипник 80112 — При условии демонтажа 2-х защитных шайб

Подшипник 180112 — При условии демонтажа 2-х защитных шайб

Марка Модель Узел Кол-во на узел
Трактор Т-15.01Я Гидротрансформатор 2
Трактор Т-15.01ЯМ Гидротрансформатор 2
Трактор Т-20.01Я Гидротрансформатор 2
Трактор Т-40АМ Компрессор -
Трактор Т-40АНМ Компрессор -
Трактор Т-40М Компрессор -
Бренд Обозначение
ГПЗ 112
SKF 6012
FAG 6012
NSK 6012
Товар добавлен в корзину
Перейти в корзину ×