Подшипники гост
Интернет-магазин
8-800-250-16-58
Обратный звонок

Заказ обратного звонка




Эл. почта:
info@amost.ru
Свои заказы Корзина пуста





Получать прайс-лист на email:

Чтобы отписаться от рассылки, введите e-mail, на который вы получаете наши письма:

 

Поиск подшипников

Масса и размеры

Внутренний диаметр d, мм

От  до 

Наружный диаметр D, мм

От  до 

Ширина b, мм

Применяемость

Раздел каталога

Подшипник шариковый радиальный однорядный

7000103 ГОСТ 520

Отечественный
Импортный

Производитель



уточнять наличие
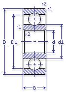
Обозначение 7000103 ГОСТ 520
Внутренний диаметр, d (мм) 17
Наружный диаметр, D (мм) 35
Ширина, В (мм) 8
Масса, m (кг) 0.0500
Грузоподъемность динамическая, C (kN) 6
Грузоподъемность статическая, Co (kN) 2.8
Ном. частота вращен. при пластич. смазке, n grease (1/min) 19000
Диаметр шарика, d шарика (мм) 5.159
Количество шариков, N шариков 9
Ном. частота вращен. при жидк. смазке, n oil (1/min) 24000
7000103 ГОСТ 520
Марка Модель Узел Кол-во на узел
Трамвайный вагон Т-2 Контроллер 1
Трамвайный вагон Т-3 Контроллер 1
Бренд Обозначение
ГПЗ 7000103
SKF 16003
FAG 16003
NSK 16003
Товар добавлен в корзину
Перейти в корзину ×