Подшипники гост
Интернет-магазин
8-800-250-16-58
Обратный звонок

Заказ обратного звонка




Эл. почта:
info@amost.ru
Свои заказы Корзина пуста





Получать прайс-лист на email:

Чтобы отписаться от рассылки, введите e-mail, на который вы получаете наши письма:

 

Поиск подшипников

Масса и размеры

Внутренний диаметр d, мм

От  до 

Наружный диаметр D, мм

От  до 

Ширина b, мм

Применяемость

Раздел каталога

Подшипник шариковый радиальный однорядный основного конструктивного исполнения

107 Ш ГОСТ 520

Отечественный
Импортный

Производитель



уточнять наличие
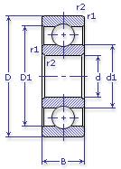
Обозначение 107 Ш ГОСТ 520
Внутренний диаметр, d (мм) 35
Наружный диаметр, D (мм) 62
Ширина, В (мм) 14
Масса, m (кг) 0.16
Грузоподъемность динамическая, C (kN) 15.9
Грузоподъемность статическая, Co (kN) 8.5
Ном. частота вращен. при пластич. смазке, n grease (1/min) 10000
Диаметр шарика, d шарика (мм) 7.938
Количество шариков, N шариков 11
Ном. частота вращен. при жидк. смазке, n oil (1/min) 13000
Диаметр борта наружного кольца, D1(mm) 53.3
Диаметр борта внутреннего кольца, d1 (mm) 43.7
Радиус фаски, r1, r2 min (мм) 1
107 Ш ГОСТ 520

Этот подшипник может быть заменен другими:

Подшипник 50107 — Условие отсутствует

Подшипник 60107 — При условии демонтажа одной защитной шайбы

Подшипник 160107 — При условии демонтажа одной защитной шайбы

Подшипник 150107 — При условии демонтажа одной защитной шайбы (п/ш с канавкой)

Подшипник 80107 — При условии демонтажа 2-х защитных шайб

Подшипник 180107 — При условии демонтажа 2-х защитных шайб

Подшипник 450107 — При условии демонтажа 2-х защитных шайб

Подшипник 750107 — При условии демонтажа 2-х защитных шайб

Марка Модель Узел Кол-во на узел
МАЗ 547 Гидротрансформатор 4
МАЗ 7410 Гидротрансформатор 4
Трактор К-701 Коробка передач 4
Трактор Т-40 Коробка передач: пара коническая 2
Трактор Т-40А Коробка передач: пара коническая 2
Трамвайный вагон Т-2 Пантограф 4
Трамвайный вагон Т-3 Пантограф 4
Бренд Обозначение
ГПЗ 107
SKF 6007
FAG 6007
NSK 6007
Товар добавлен в корзину
Перейти в корзину ×