Подшипники гост
Интернет-магазин
8-800-250-16-58
Обратный звонок

Заказ обратного звонка




Эл. почта:
info@amost.ru
Свои заказы Корзина пуста





Получать прайс-лист на email:

Чтобы отписаться от рассылки, введите e-mail, на который вы получаете наши письма:

 

Поиск подшипников

Масса и размеры

Внутренний диаметр d, мм

От  до 

Наружный диаметр D, мм

От  до 

Ширина b, мм

Применяемость

Раздел каталога

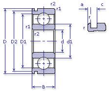
Подшипник шариковый радиальный однорядный с канавкой на наружном кольце

50107 АШ ГОСТ 520

Отечественный
Импортный

Производитель



уточнять наличие
Обозначение 50107 АШ ГОСТ 520
Внутренний диаметр, d (мм) 35
Наружный диаметр, D (мм) 62
Ширина, В (мм) 14
Масса, m (кг) 0.16
Грузоподъемность динамическая, C (kN) 15.9
Грузоподъемность статическая, Co (kN) 8.2
Ном. частота вращен. при пластич. смазке, n grease (1/min) 11000
Ном. частота вращен. при жидк. смазке, n oil (1/min) 14000
50107 АШ ГОСТ 520
Бренд Обозначение
ГПЗ 50107
SKF 6007N
FAG 6007N
NSK 6007N
Товар добавлен в корзину
Перейти в корзину ×