Подшипники гост
Интернет-магазин
8-800-250-16-58
Обратный звонок

Заказ обратного звонка




Эл. почта:
info@amost.ru
Свои заказы Корзина пуста





Получать прайс-лист на email:

Чтобы отписаться от рассылки, введите e-mail, на который вы получаете наши письма:

 

Поиск подшипников

Масса и размеры

Внутренний диаметр d, мм

От  до 

Наружный диаметр D, мм

От  до 

Ширина b, мм

Применяемость

Раздел каталога

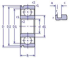
Подшипник шариковый радиальный однорядный с канавкой на наружном кольце

50203 W3 ГОСТ 520

Отечественный
Импортный

Производитель



уточнять наличие
Обозначение 50203 W3 ГОСТ 520
Внутренний диаметр, d (мм) 17
Наружный диаметр, D (мм) 40
Ширина, В (мм) 12
Масса, m (кг) 0.064
Грузоподъемность динамическая, C (kN) 9.56
Грузоподъемность статическая, Co (kN) 4.75
Ном. частота вращен. при пластич. смазке, n grease (1/min) 17000
Марка стали, Материал ШХ-15
Диаметр шарика, d шарика (мм) 7.144
Количество шариков, N шариков 7
Ном. частота вращен. при жидк. смазке, n oil (1/min) 20000
50203 W3 ГОСТ 520
Бренд Обозначение
ГПЗ 50203
SKF 6203N
FAG 6203N
NSK 6203N
Товар добавлен в корзину
Перейти в корзину ×