Подшипники гост
Интернет-магазин
8-800-250-16-58
Обратный звонок

Заказ обратного звонка




Эл. почта:
info@amost.ru
Свои заказы Корзина пуста





Получать прайс-лист на email:

Чтобы отписаться от рассылки, введите e-mail, на который вы получаете наши письма:

 

Поиск подшипников

Масса и размеры

Внутренний диаметр d, мм

От  до 

Наружный диаметр D, мм

От  до 

Ширина b, мм

Применяемость

Раздел каталога

Подшипник шариковый радиальный однорядный с канавкой на наружном кольце

50206 А1 ГОСТ 520

Отечественный
Импортный

Производитель



уточнять наличие
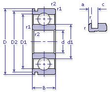
Обозначение 50206 А1 ГОСТ 520
Внутренний диаметр, d (мм) 30
Наружный диаметр, D (мм) 62
Ширина, В (мм) 16
Масса, m (кг) 0.2
Грузоподъемность динамическая, C (kN) 19.5
Грузоподъемность статическая, Co (kN) 10
Ном. частота вращен. при пластич. смазке, n grease (1/min) 10000
Марка стали, Материал ШХ-15
Диаметр шарика, d шарика (мм) 9.525
Количество шариков, N шариков 9
Ном. частота вращен. при жидк. смазке, n oil (1/min) 13000
Диаметр борта наружного кольца, D1(mm) 53.3
Диаметр борта внутреннего кольца, d1 (mm) 39.9
Радиус фаски, r1, r2 min (мм) 1
Толщина борта канавки, a (мм) 3.28
Радиус фаски, r min (мм) 0.5
Ширина канавки, c (мм) 1.9
Диаметр канавки, D2(mm) 59.61
50206 А1 ГОСТ 520
Марка Модель Узел Кол-во на узел
КАвЗ 3100 Двигатель: система охлаждения 2
Комбайн Енисей-1200 Коробка передач -
Комбайн КЗС-3 Коробка диапазонов: вал промежуточный -
Комбайн Колос Коробка передач -
Комбайн Нива Коробка передач 1
Комбайн Нива Коробка передач: вал -
ЛиАЗ 677 Двигатель: система охлаждения 2
ЛиАЗ 677Б Двигатель: система охлаждения 2
ЛиАЗ 677В Двигатель: система охлаждения 2
ЛиАЗ 677М Двигатель: система охлаждения 2
ЛиАЗ 677П Двигатель: система охлаждения 2
Москвич 2140 Коробка передач: вал первичный 1
Трактор МТЗ-50 Двигатель: привод насоса гидросистемы, опора передняя 1
Трактор МТЗ-50Л Двигатель: привод насоса гидросистемы, опора передняя 1
Трактор МТЗ-50ПЛ Двигатель: привод насоса гидросистемы, опора передняя 1
Трактор МТЗ-50ПЛ Управление рулевое: привод насоса гидроусилителя 1
Трактор МТЗ-52 Двигатель: привод насоса гидросистемы, опора передняя 1
Трактор МТЗ-52Л Двигатель: привод насоса гидросистемы, опора передняя 1
Трактор МТЗ-5К Двигатель: привод насоса гидросистемы, опора передняя 1
Трактор МТЗ-5К Двигатель: привод насоса, опора передняя -
Трактор МТЗ-5Л Двигатель: привод насоса гидросистемы, опора передняя 1
Трактор МТЗ-5ЛС Двигатель: привод насоса гидросистемы, опора передняя 1
Трактор МТЗ-5М Двигатель: привод насоса гидросистемы, опора передняя 1
Трактор МТЗ-5МС Двигатель: регулятор частоты вращения 1
Трактор МТЗ-5МС Двигатель: привод насоса гидросистемы, опора передняя 1
Трактор ЮМЗ-6АЛ Гидросистема: привод насоса -
Трактор ЮМЗ-6АМ Гидросистема: привод насоса -
Трактор ЮМЗ-6КМ Гидросистема: привод насоса -
Бренд Обозначение
ГПЗ 50206
SKF 6206N
FAG 6206N
NSK 6206N
Товар добавлен в корзину
Перейти в корзину ×