Подшипники гост
Интернет-магазин
8-800-250-16-58
Обратный звонок

Заказ обратного звонка




Эл. почта:
info@amost.ru
Свои заказы Корзина пуста





Получать прайс-лист на email:

Чтобы отписаться от рассылки, введите e-mail, на который вы получаете наши письма:

 

Поиск подшипников

Масса и размеры

Внутренний диаметр d, мм

От  до 

Наружный диаметр D, мм

От  до 

Ширина b, мм

Применяемость

Раздел каталога

Подшипник шариковый радиальный однорядный с канавкой на наружном кольце

50208 АШ1 ГОСТ 520

Отечественный
Импортный

Производитель



уточнять наличие
Обозначение 50208 АШ1 ГОСТ 520
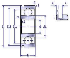
Внутренний диаметр, d (мм) 40
Наружный диаметр, D (мм) 80
Ширина, В (мм) 18
Масса, m (кг) 0.36
Грузоподъемность динамическая, C (kN) 32
Грузоподъемность статическая, Co (kN) 17.8
Ном. частота вращен. при пластич. смазке, n grease (1/min) 8500
Марка стали, Материал ШХ-15
Диаметр шарика, d шарика (мм) 12.7
Количество шариков, N шариков 9
Ном. частота вращен. при жидк. смазке, n oil (1/min) 10000
Диаметр борта наружного кольца, D1(mm) 67.6
Диаметр борта внутреннего кольца, d1 (mm) 52.4
Радиус фаски, r1, r2 min (мм) 1.1
Толщина борта канавки, a (мм) 3.28
Радиус фаски, r min (мм) 0.5
Ширина канавки, c (мм) 1.9
Диаметр канавки, D2(mm) 76.81
50208 АШ1 ГОСТ 520
Марка Модель Узел Кол-во на узел
ЕрАЗ 3730 Коробка передач 1
ЕрАЗ 37301 Коробка передач 1
ЕрАЗ 37302 Коробка передач 1
ЕрАЗ 37304 Коробка передач 1
ЕрАЗ 37305 Коробка передач 1
ЕрАЗ 762В Коробка передач 1
Комбайн Нива Коробка передач 1
УАЗ 2206 Коробка передач: вал ведущий 1
УАЗ 3151 Коробка передач 1
УАЗ 31512 Коробка передач: вал ведущий 1
УАЗ 31514 Коробка передач: вал ведущий 1
УАЗ 3153 Коробка передач: вал ведущий 1
УАЗ 3303 Коробка передач: вал ведущий 1
УАЗ 33036 Коробка передач: вал ведущий 1
УАЗ 3741 Коробка передач: вал ведущий 1
УАЗ 3909 Коробка передач: вал ведущий 1
УАЗ 39094 Коробка передач: вал ведущий -
УАЗ 39095 Коробка передач: вал ведущий -
УАЗ 3962 Коробка передач: вал ведущий 1
УАЗ 451ДМ Коробка передач 1
УАЗ 451М Коробка передач 1
УАЗ 452 Коробка передач 1
УАЗ 452 фургон Коробка передач 1
УАЗ 452А Коробка передач 1
УАЗ 452В Коробка передач 1
УАЗ 452Д Коробка передач 1
УАЗ 469 Коробка передач 1
УАЗ 469Б Коробка передач 1
УАЗ 469БГ Коробка передач 1
УАЗ 469М Коробка передач 1
УРАЛ 375Д Коробка отбора мощности 1
УРАЛ 375ДМ Коробка отбора мощности 1
УРАЛ 4320 Коробка отбора мощности 1
УРАЛ 5557 Коробка отбора мощности 1
УРАЛ 5920 Коробка отбора мощности 1
Бренд Обозначение
ГПЗ 50208
SKF 6208N
FAG 6208N
NSK 6208N
Товар добавлен в корзину
Перейти в корзину ×