Подшипники гост
Интернет-магазин
8-800-250-16-58
Обратный звонок

Заказ обратного звонка




Эл. почта:
info@amost.ru
Свои заказы Корзина пуста





Получать прайс-лист на email:

Чтобы отписаться от рассылки, введите e-mail, на который вы получаете наши письма:

 

Поиск подшипников

Масса и размеры

Внутренний диаметр d, мм

От  до 

Наружный диаметр D, мм

От  до 

Ширина b, мм

Применяемость

Раздел каталога

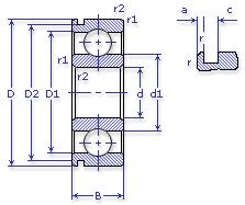
Подшипник шариковый радиальный однорядный с канавкой на наружном кольце

50210 АШ2 ГОСТ 520

Отечественный
Импортный
Цена: 293.00 руб

Производитель



под заказ
Обозначение 50210 АШ2 ГОСТ 520
Внутренний диаметр, d (мм) 50
Наружный диаметр, D (мм) 90
Ширина, В (мм) 20
Масса, m (кг) 0.457
Грузоподъемность динамическая, C (kN) 35.1
Грузоподъемность статическая, Co (kN) 19.8
Ном. частота вращен. при пластич. смазке, n grease (1/min) 7000
Марка стали, Материал ШХ-15
Количество шариков, N шариков 10
Ном. частота вращен. при жидк. смазке, n oil (1/min) 8500
Диаметр борта наружного кольца, D1(mm) 77.9
Диаметр борта внутреннего кольца, d1 (mm) 61.8
Радиус фаски, r1, r2 min (мм) 1.1
Толщина борта канавки, a (мм) 3.28
Радиус фаски, r min (мм) 0.5
Ширина канавки, c (мм) 2.7
Диаметр канавки, D2(mm) 86.79
50210 АШ2 ГОСТ 520
Марка Модель Узел Кол-во на узел
Комбайн КСКУ-6 Коробка переключения диапазонов -
Трактор ЛХТ-55 Коробка передач: валы -
Трактор ЛХТ-55 Лебедка: редуктор привода -
Трактор ТДТ-55 Коробка передач: валы -
Трактор ТДТ-55 Лебедка: редуктор привода -
Бренд Обозначение
ГПЗ 50210
SKF 6210N
FAG 6210N
NSK 6210N
Товар добавлен в корзину
Перейти в корзину ×