Подшипники гост
Интернет-магазин
8-800-250-16-58
Обратный звонок

Заказ обратного звонка




Эл. почта:
info@amost.ru
Свои заказы Корзина пуста





Получать прайс-лист на email:

Чтобы отписаться от рассылки, введите e-mail, на который вы получаете наши письма:

 

Поиск подшипников

Масса и размеры

Внутренний диаметр d, мм

От  до 

Наружный диаметр D, мм

От  до 

Ширина b, мм

Применяемость

Раздел каталога

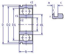
Подшипник шариковый радиальный однорядный с канавкой на наружном кольце

50215 АШ ГОСТ 520

Отечественный
Импортный

Производитель



уточнять наличие
Обозначение 50215 АШ ГОСТ 520
Внутренний диаметр, d (мм) 75
Наружный диаметр, D (мм) 130
Ширина, В (мм) 25
Масса, m (кг) 1.18
Грузоподъемность динамическая, C (kN) 66.3
Грузоподъемность статическая, Co (kN) 49
Ном. частота вращен. при пластич. смазке, n grease (1/min) 4800
Марка стали, Материал ШХ-15
Диаметр шарика, d шарика (мм) 17.462
Количество шариков, N шариков 11
Ном. частота вращен. при жидк. смазке, n oil (1/min) 5600
50215 АШ ГОСТ 520
Марка Модель Узел Кол-во на узел
Трактор МТЗ-100 Корпус КП: опора шестерни привода синхронного ВОМ -
Трактор МТЗ-102 Корпус КП: опора шестерни привода синхронного ВОМ -
Бренд Обозначение
ГПЗ 50215
SKF 6215N
FAG 6215N
NSK 6215N
Товар добавлен в корзину
Перейти в корзину ×