Подшипники гост
Интернет-магазин
8-800-250-16-58
Обратный звонок

Заказ обратного звонка




Эл. почта:
info@amost.ru
Свои заказы Корзина пуста





Получать прайс-лист на email:

Чтобы отписаться от рассылки, введите e-mail, на который вы получаете наши письма:

 

Поиск подшипников

Масса и размеры

Внутренний диаметр d, мм

От  до 

Наружный диаметр D, мм

От  до 

Ширина b, мм

Применяемость

Раздел каталога

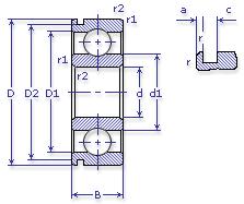
Подшипник шариковый радиальный однорядный с канавкой на наружном кольце

50217 АК5 ГОСТ 520

Отечественный
Импортный

Производитель



уточнять наличие
Обозначение 50217 АК5 ГОСТ 520
Внутренний диаметр, d (мм) 85
Наружный диаметр, D (мм) 150
Ширина, В (мм) 28
Масса, m (кг) 1.77
Грузоподъемность динамическая, C (kN) 83.2
Грузоподъемность статическая, Co (kN) 64
Ном. частота вращен. при пластич. смазке, n grease (1/min) 4300
Марка стали, Материал ШХ-15
Диаметр шарика, d шарика (мм) 19.844
Количество шариков, N шариков 11
Ном. частота вращен. при жидк. смазке, n oil (1/min) 5000
50217 АК5 ГОСТ 520
Марка Модель Узел Кол-во на узел
КрАЗ 214Б Коробка передач: вал первичный, опора задняя -
ЛАЗ 699Н Коробка передач 1
ЛАЗ 699Р Коробка передач 1
ЛАЗ 699Р Коробка передач 1
УРАЛ 375Д Коробка передач 1
УРАЛ 375Д Коробка передач 1
УРАЛ 375ДМ Коробка передач 1
УРАЛ 375ДМ Коробка передач 1
УРАЛ 377 Коробка передач 1
УРАЛ 377 Коробка передач 1
Бренд Обозначение
ГПЗ 50217
SKF 6217N
FAG 6217N
NSK 6217N
Товар добавлен в корзину
Перейти в корзину ×